EasyManua.ls Logo

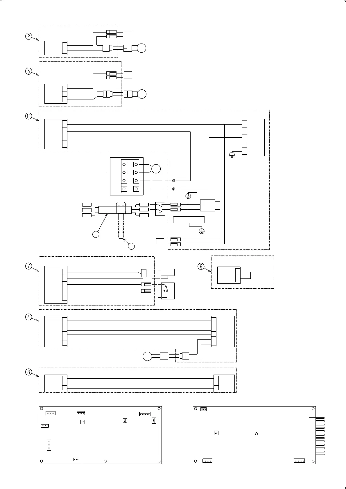
Strapack i-10 - Harness Group; From IC BOARD; From POWER SUPPLY BOARD; CONNECTOR LAYOUT IC BOARD

Strapack i-10
26 pages
Print Icon
To Next Page IconTo Next Page
To Next Page IconTo Next Page
To Previous Page IconTo Previous Page
To Previous Page IconTo Previous Page
Loading...
 Harness Group
U1
U2
M1
DC  GEARED  MOTOR
(VHR-2N)
From IC BOARD
Z2D30-24GN-30S, 2GN60K
Fuse
6A
CN1
(XHP-5)
CN4
Micro Switch ,ABS111654;LS2
Micro Switch,VX-01-1A2;LS1
42
LS1
LS2
No
Nc
From IC BOARD
CN3
(VHR-6N)
CN5
(VHR-6N)
SMOKE  FAN
SF
From POWER SUPPLY BOARD
From IC BOARD
POWER SUPPLY BOARD
CONNECTOR LAYOUT
CN4
CN2
CN1
CN3
CONNECTOR LAYOUT
IC BOARD
CN4 CN3
CN5
CN2
CN1
CN6
CN7
CN8
CN9
CN4
CN8
(XHP-3)
(XHP-3)
From POWER SUPPLY BOARD
From IC BOARD
(VHR-2N)
CN2
From POWER SUPPLY BOARD
23
CN2
(VHR-3N)
Z4D65-24GN-30S, 4GN12.5K
DC  GEARED  MOTOR
M2
Fuse
20A
V1
V2
From IC BOARD
N2
W4
(VHR-4N)
CN3
CN1
(VHR-5N)
Noise
Filter
L1
N1
N2
Capacitor & 
Varistor
L2
L3
 
Fuse
10A
From IC BOARD
From POWER SUPPLY BOARD
HEATER TRANSFORMER
1.4V
0 V
0 V
HEATER 
Y3
X3
T2
(V2A CE Spec.)
V2
(T2 CE Spec.)
110V
230V
 
φ
 
 
 
 
 
 
 
φ
 
 
 
 
 
12
PE
PE

Other manuals for Strapack i-10

Related product manuals