EasyManua.ls Logo

Studer XTH 3000-12 - 6 Description and Functioning; Circuit Diagram; Description of the Main Functions; Inverter

Studer XTH 3000-12
49 pages
Print Icon
To Next Page IconTo Next Page
To Next Page IconTo Next Page
To Previous Page IconTo Previous Page
To Previous Page IconTo Previous Page
Loading...
STUDER Innotec
Xtender
User manual V.3.1.0 19
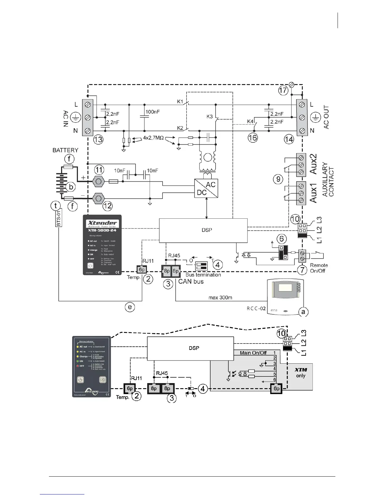
6 DESCRIPTION AND FUNCTIONING
6.1 CIRCUIT DIAGRAM
6.2 DESCRIPTION OF THE MAIN FUNCTIONS
6.2.1
Inverter
The Xtender is equipped with a high-performance inverter which supplies a perfect and very

Table of Contents