EasyManua.ls Logo

Stulz BNB1000 - Electrical Circuit Diagrams

Stulz BNB1000
28 pages
Print Icon
To Next Page IconTo Next Page
To Next Page IconTo Next Page
To Previous Page IconTo Previous Page
To Previous Page IconTo Previous Page
Loading...
(©January, 2008)
A
ir Technology Systems, Inc.
BNB Ultrasonic Humidifier Installation, Operation & Maintenance Manual
7-2
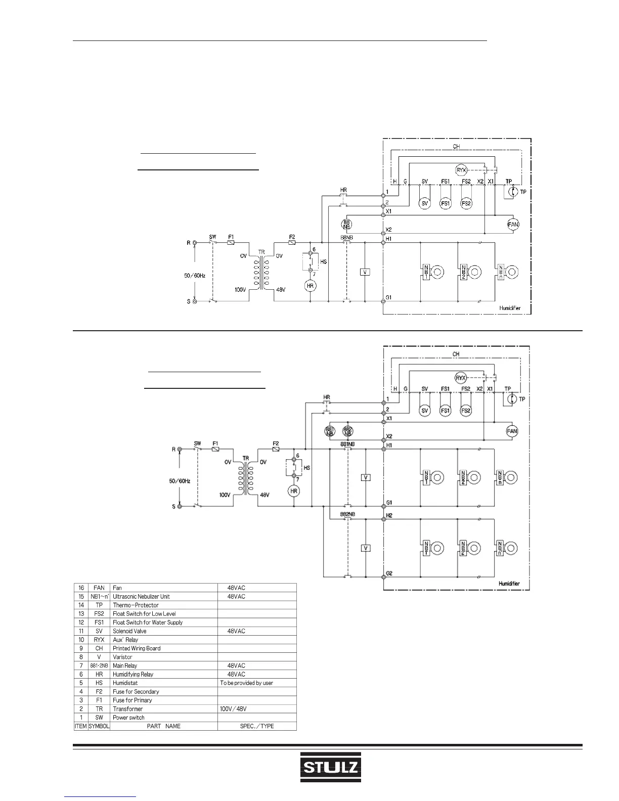
100 VAC
100 VAC
BNB1000 to BNB4000
Typical Wiring Diagram
7.2 Electrical Circuit Diagrams
BNB5000 & BNB8000
Typical Wiring Diagram

Related product manuals