EasyManua.ls Logo

Stulz CRS 211 A - Page 71

Stulz CRS 211 A
86 pages
Print Icon
To Next Page IconTo Next Page
To Next Page IconTo Next Page
To Previous Page IconTo Previous Page
To Previous Page IconTo Previous Page
Loading...
3
/08.2014/humidifier
{
EN
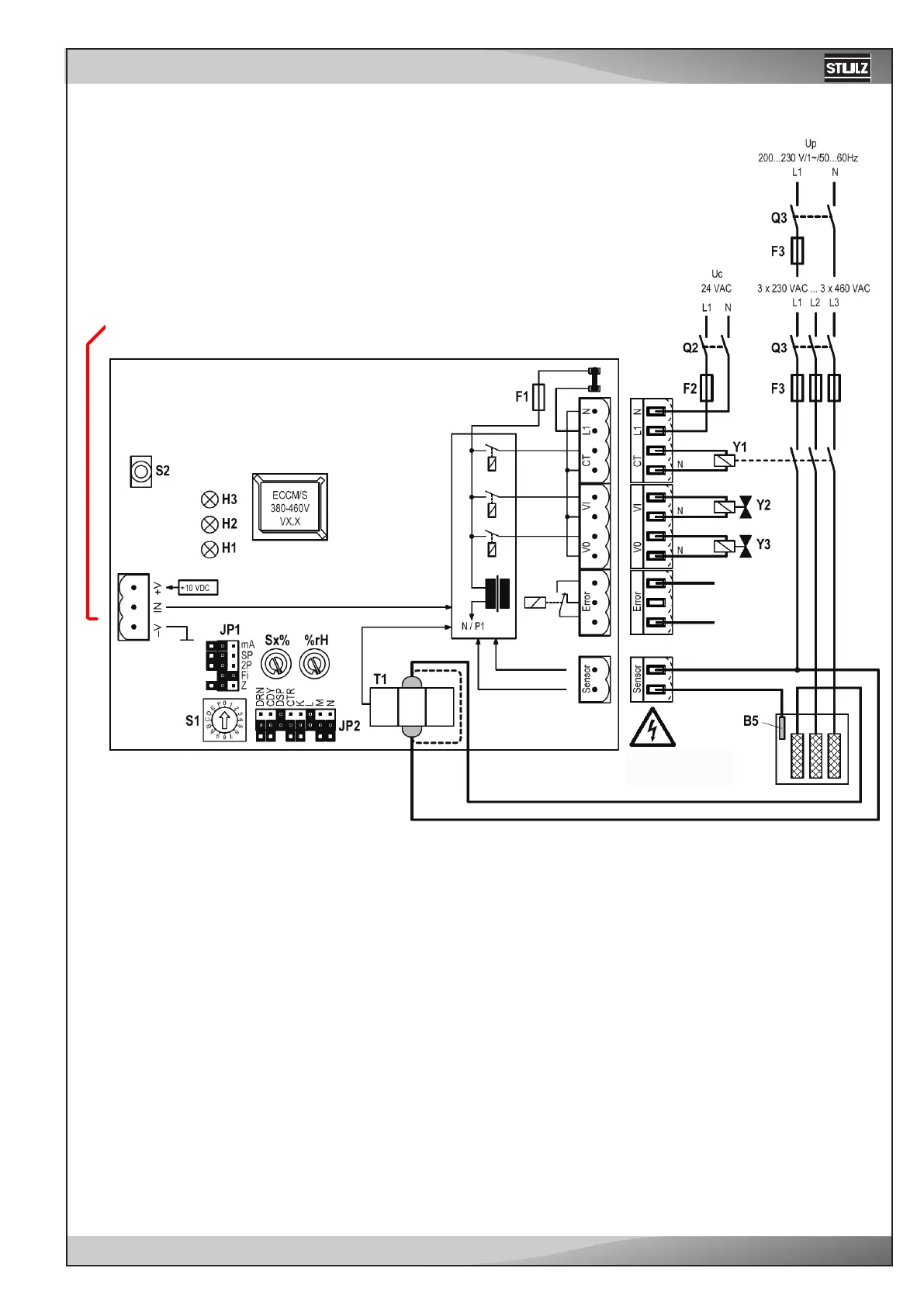
B5 Level sensor steam cylinder
F1 Fuse control board (2 A, time-lag)
F2/Q2 Automatic fuse control voltage
F3/Q3 MCB humidifier
H1 Red LED: Error
H2 Yellow LED: Service, Warning
H3 Green LED: Steam production
JP1 Jumper block 1
JP2 Jumper block 2
S1 Rotary switch unit type
S2 Drain/Info key
Sx% Potentiometer power limitation
%rH Potentiometer humidity value
Y1 Main contactor heating voltage
Y2 Inlet valve
Y3 Drain valve
T1 Current sensor
12.1.1.2 Wiring diagram of the control unit ECCM/S
Danger
Mains voltage
to C7000
alarm input
input signal from the C7000 controller

Related product manuals