EasyManua.ls Logo

Stulz CRS 320 CW - Page 21

Stulz CRS 320 CW
86 pages
Print Icon
To Next Page IconTo Next Page
To Next Page IconTo Next Page
To Previous Page IconTo Previous Page
To Previous Page IconTo Previous Page
Loading...
21
/04.2016/G35EN
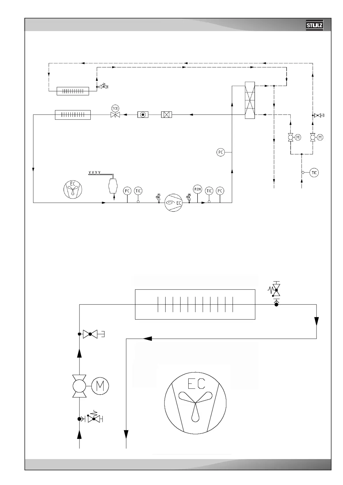
Refrigerant scheme for GES units
Evaporator
EC compressor
EC fan
Condenser
GE coil
Vent valve
CW coil
2-way valve
Vent valve
Filling and
drain valve
Refrigerant scheme for CW units

Related product manuals