EasyManua.ls Logo

Sub-Zero 611/S - Page 133

Sub-Zero 611/S
134 pages
Print Icon
To Next Page IconTo Next Page
To Next Page IconTo Next Page
To Previous Page IconTo Previous Page
To Previous Page IconTo Previous Page
Loading...
Wiring Diagrams/Schematics
600 Series
(Prior to #1810000)
10-11
#3756270 - Revision B - January, 2006
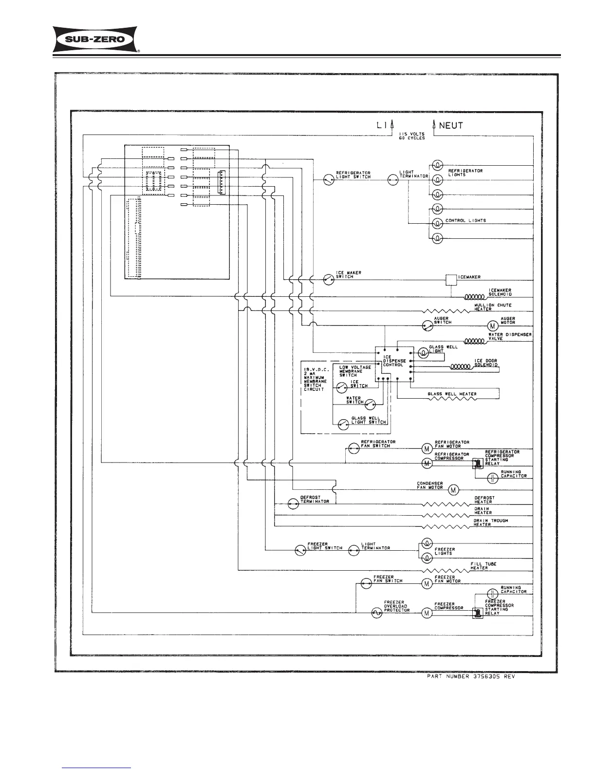
WIRING SCHEMATIC MODEL: 690

Table of Contents

Related product manuals