EasyManua.ls Logo

Sub-Zero 650-2 - Model 601 RG-2; Section 10 - Wiring Diagrams & Schematics; Wiring Schematic

Sub-Zero 650-2
188 pages
Print Icon
To Next Page IconTo Next Page
To Next Page IconTo Next Page
To Previous Page IconTo Previous Page
To Previous Page IconTo Previous Page
Loading...
Built-In
Built-In
(600-
(600-
2
2
)
)
Series
Series
Wiring Diagrams / Schematics
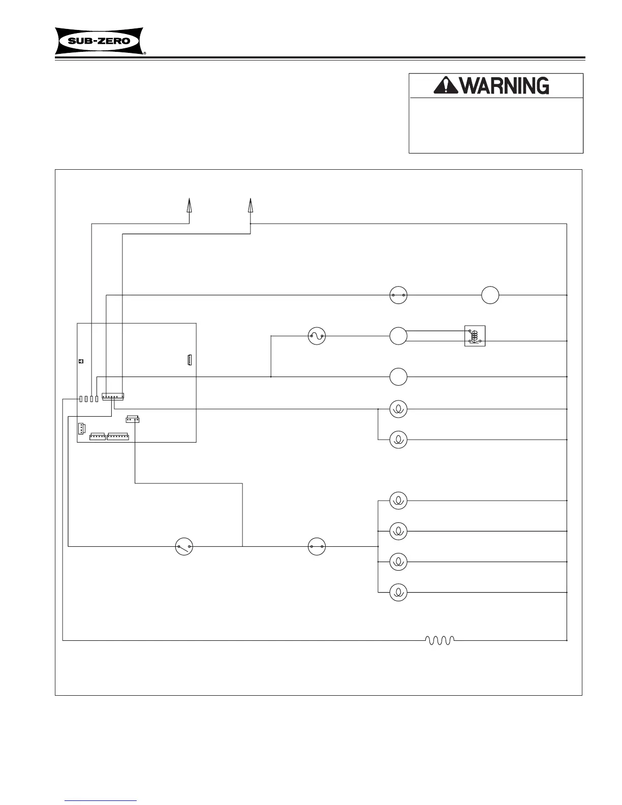
PART NUMBER 3756711
REFRIGERATOR
FAN SWITCH
REFRIGERATOR
LIGHT SWITCH
LIGHT
TERMINATOR
REFRIGERATOR
OVERLOAD
PROTECTOR
NEUT
115 VOLTS
60 CYCLES
L1
REFRIGERATOR
LIGHTS
REFRIGERATOR
COMPRESSOR
STARTING
RELAY
REFRIGERATOR
FAN MOTOR
CONDENSER
FAN MOTOR
REFRIGERATOR
COMPRESSOR
HIGH VOLTAGE WIRING SCHEMATIC
ACCENT
LIGHTS
DOOR
HEATER
-This wiring information is provided for use by qualified
service personnel only.
-Disconnect appliance from electrical supply before
beginning service.
-Be sure all grounding devices are connected when
service is complete.
-Failure to observe the above warnings may result in
severe electrical shock.
YELLOW ORANGE
J3
J2
E10E7E2 E6
J4
J1
J7
J5
WHITE
BLACK
GRAY
J6
WHITE
RED
ORANGE
RED
PINK
BLUE
M
M
M
2300 - 2900 Ohms
WIRING SCHEMATIC
MODEL: 601RG-2
10-5
#3758407 - Revision B - August, 2006

Table of Contents

Other manuals for Sub-Zero 650-2

Related product manuals