EasyManua.ls Logo

Sub-Zero 650-2 - Page 187

Sub-Zero 650-2
188 pages
Print Icon
To Next Page IconTo Next Page
To Next Page IconTo Next Page
To Previous Page IconTo Previous Page
To Previous Page IconTo Previous Page
Loading...
Built-In
Built-In
(600-
(600-
2
2
)
)
Series
Series
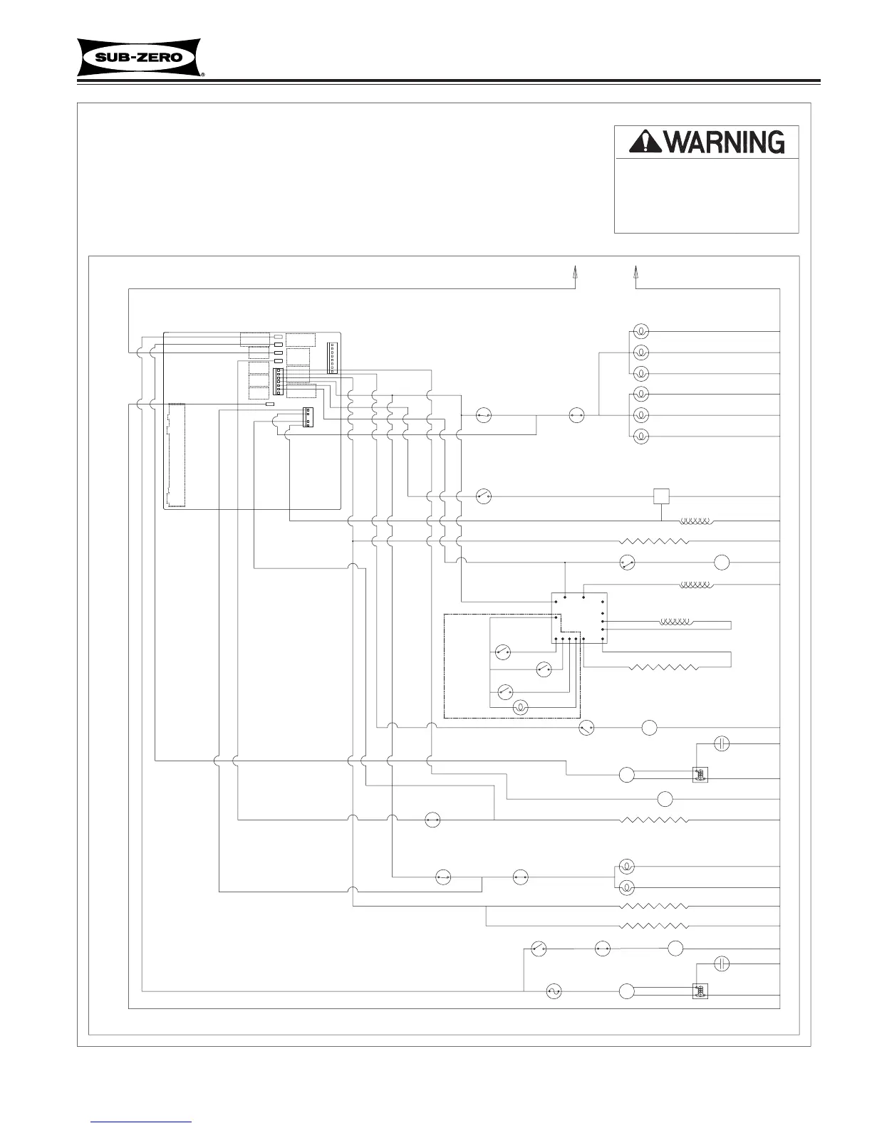
Wiring Diagrams / Schematics
PART NUMBER 3757969 REV D
SECONDARY GLASS WELL
CAPACITOR
STARTING RELAY
CAPACITOR
WATER DISPENSER
PROTECTOR
OVERLOAD
FREEZER
FREEZER
COMPRESSOR
STARTING RELAY
COMPRESSOR
FREEZER
RUNNING
LIGHT SWITCH
TERMINATOR
FREEZER
FAN SWITCH
FREEZER
LIGHT
TERMINATOR
DEFROST
2300-2900
TERMINATOR
FREEZER FAN
7200
LIGHTS
FREEZER
FILL TUBE
FAN MOTOR
HEATER
FREEZER
HEATER
REFRIGERATOR
FAN MOTOR
REFRIGERATOR
COMPRESSOR
FAN MOTOR
CONDENSER
29 OHMS
REFRIGERATOR
FAN SWITCH
COMPRESSOR
HEATER
DEFROST
REFRIGERATOR
RUNNING
SWITCH
MEMBRANE
LOW VOLTAGE
SWITCH
ICE
SWITCH
CIRCUIT
19.V.D.C.
GLASS WELL
LIGHT SWITCH
SWITCH
WATER
CONTROL
DISPENSE
ICE
SWITCH
ICE MAKER
100 OHMS
GLASS WELL HEATER
14400 OHMS
LOCK GLASSWELL
BUTTON
SOLENOID
ICE DOOR
ICEMAKER
AUGER
SWITCH
880 OHMS
MULLION CHUTE
VALVE
160 OHMS
HEATER
AUGER
MOTOR
SOLENOID
ICEMAKER
160 OHMS
60 CYCLES
115 VOLTS
LIGHT SWITCH
REFRIGERATOR
TERMINATOR
LIGHT
L1
REFRIGERATOR
CONTROL LIGHTS
LIGHTS
NEUT
ON T-RISE
OPENS
( )
( )
ON T-RISE
OPENS
( )
ON T-RISE
OPENS
(OPENS ON T-RISE)
-This wiring information is provided for use by qualified
service personnel only.
-Disconnect appliance from electrical supply before
beginning service.
-Be sure all grounding devices are connected when
service is complete.
-Failure to observe the above warnings may result in
severe electrical shock.
BROWN
YELLOW
WHITE/RED
PINK
YELLOW
WHITE\BLUE
PURPLE
GRAY
GREY\WHITE
ORANGE W/BLACK
GREY
PURPLE
BLUE
WHITE\BLUE
WHITE\RED
GREY\WHITE
YELLOW
TAN
ORANGE/BLK
WHITE\BLUE
ORANGE/BLK
YELLOW
TAN
WHITE\BLUE
BROWN
PINK
WHITE
BLACK
ORANGE
ORANGE
WHITE
GREY GREY
M
M
M
M
M
M
MODELS:
WIRING SCHEMATIC
685-2 (
Starting w/Serial
#2271174)
695-2 (
Starting w/Serial
#2269189)
10-19
#3758407 - Revision B - August, 2006

Table of Contents

Other manuals for Sub-Zero 650-2

Related product manuals