EasyManua.ls Logo

Sub-Zero 700-2 Series - Page 152

Sub-Zero 700-2 Series
166 pages
Print Icon
To Next Page IconTo Next Page
To Next Page IconTo Next Page
To Previous Page IconTo Previous Page
To Previous Page IconTo Previous Page
Loading...
Page 152
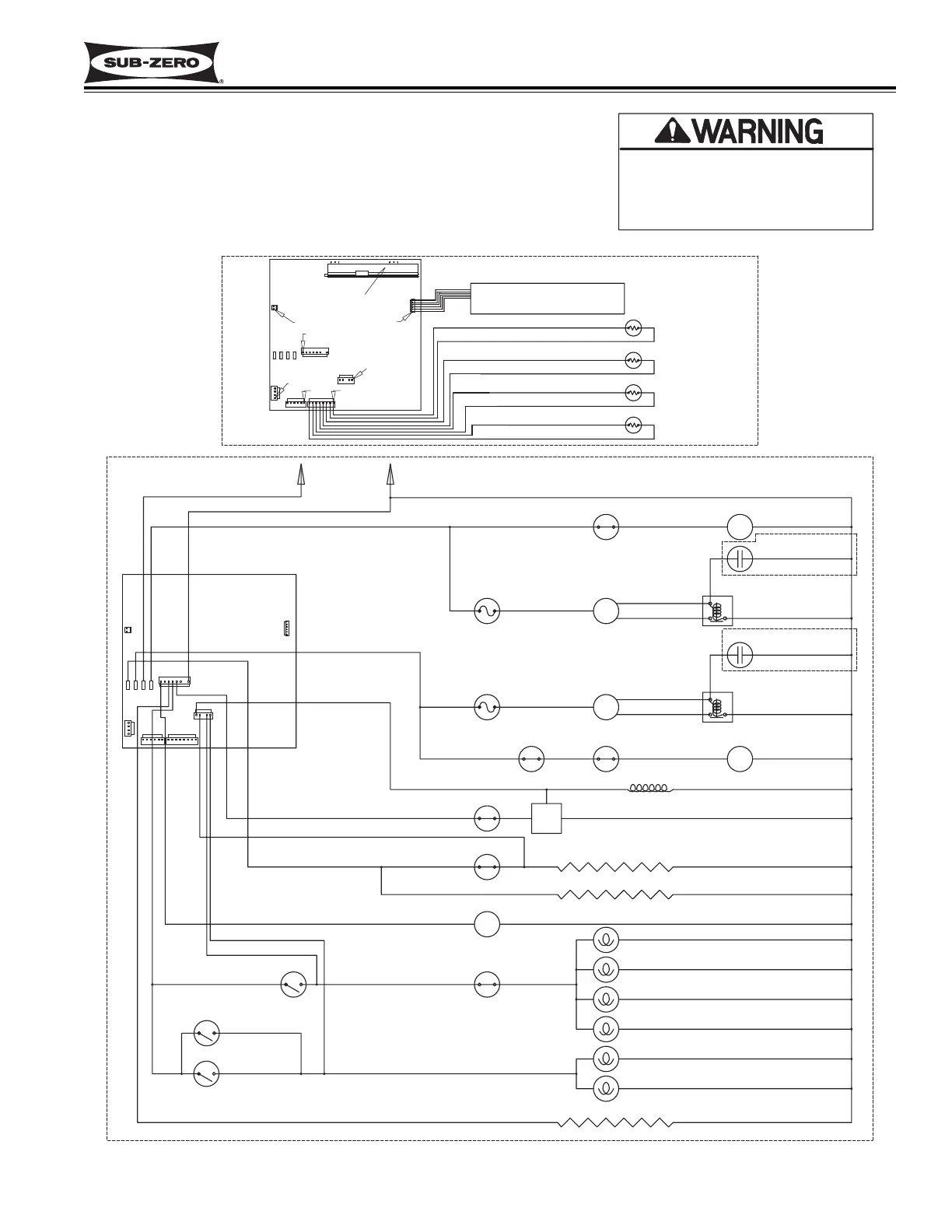
General Information
Integrated (
Integrated (
700-
700-
2) Series
2) Series
10-5
#3756780 - Revision D - July, 2005
DRAIN TROUGH
HEATER
-This wiring information is provided for use by qualified
service personnel only.
-Disconnect appliance from electrical supply before
beginning service.
-Be sure all grounding devices are connected when
service is complete.
-Failure to observe the above warnings may result in
severe electrical shock.
J6
J5
J3
E2 E7 E10 E6
J2
J1
J7
J4
J5
J7
J3
J2
E2 E6E10E7
J1
J4
LOW VOLTAGE
J6
HIGH VOLTAGE
ICEMAKER
FREEZER
LIGHT
SWITCHES
REFRIGERATOR
LIGHT SWITCH
LIGHT
TERMINATOR
CONDENSER
FAN MOTOR
DEFROST
TERMINATOR
REFRIGERATOR
LIGHTS
FREEZER
LIGHTS
FILL TUBE
HEATER
DEFROST
HEATER
FREEZER
OVERLOAD
PROTECTOR
NEUT
115 VOLTS
60 CYCLES
L1
REFRIGERATOR
OVERLOAD
PROTECTOR
WIRING SCHEMATIC
MODEL: 700 TC/I-2
(Starting with Serial #1755730)
FREEZER
FAN
SWITCHES
WATER
VALVE
FREEZER
COMPRESSOR
STARTING
RELAY
FREEZER
FAN MOTOR
RUNNING
CAPACITOR
REFRIGERATOR
COMPRESSOR
REFRIGERATOR
FAN SWITCH
REFRIGERATOR
FAN MOTOR
ICEMAKER
SWITCH
PART NUMBER 3756640 REV E
2300-2900 OHMS
160 OHMS
WHITE
GRAY
BLACK
PURPLE
TAN
PINK
GRAY/WHITE
BLUE
WHITE/RED
ORANGE
ORANGE
WHITE/BLUE
30-38 OHMS
WHITE
TAN
PURPLE RED
RED
STARTING
RELAY
RUNNING
CAPACITOR
155-175 OHMS
ORANGE
ORANGE
MEMBRANE SWITCH
DISPLAY
REF EVAP
THERMISTOR
FZR EVAP
THERMISTOR
BLUE W/YELLOW STRIPE
BLUE W/WHITE STRIPE
BLUE W/WHITE STRIPE
BLUE W/BLACK STRIPE
BLUE W/BLACK STRIPE
ORANGE W/RED STRIPE
BLUE W/RED STRIPE
ORANGE W/YELLOW STRIPE
FZR CAB
THERMISTOR
REF CAB
THERMISTOR
ORANGE
ORANGE
(WHEN USED)
(WHEN USED)
M
M
M
M
M
PIN 1
PIN 1
PIN 1
0
PIN 1
0
0
0
PIN 1
PIN 1PIN 1
0
0
0

Related product manuals