EasyManua.ls Logo

Sub-Zero 700-2 Series - Page 160

Sub-Zero 700-2 Series
166 pages
Print Icon
To Next Page IconTo Next Page
To Next Page IconTo Next Page
To Previous Page IconTo Previous Page
To Previous Page IconTo Previous Page
Loading...
Page 160
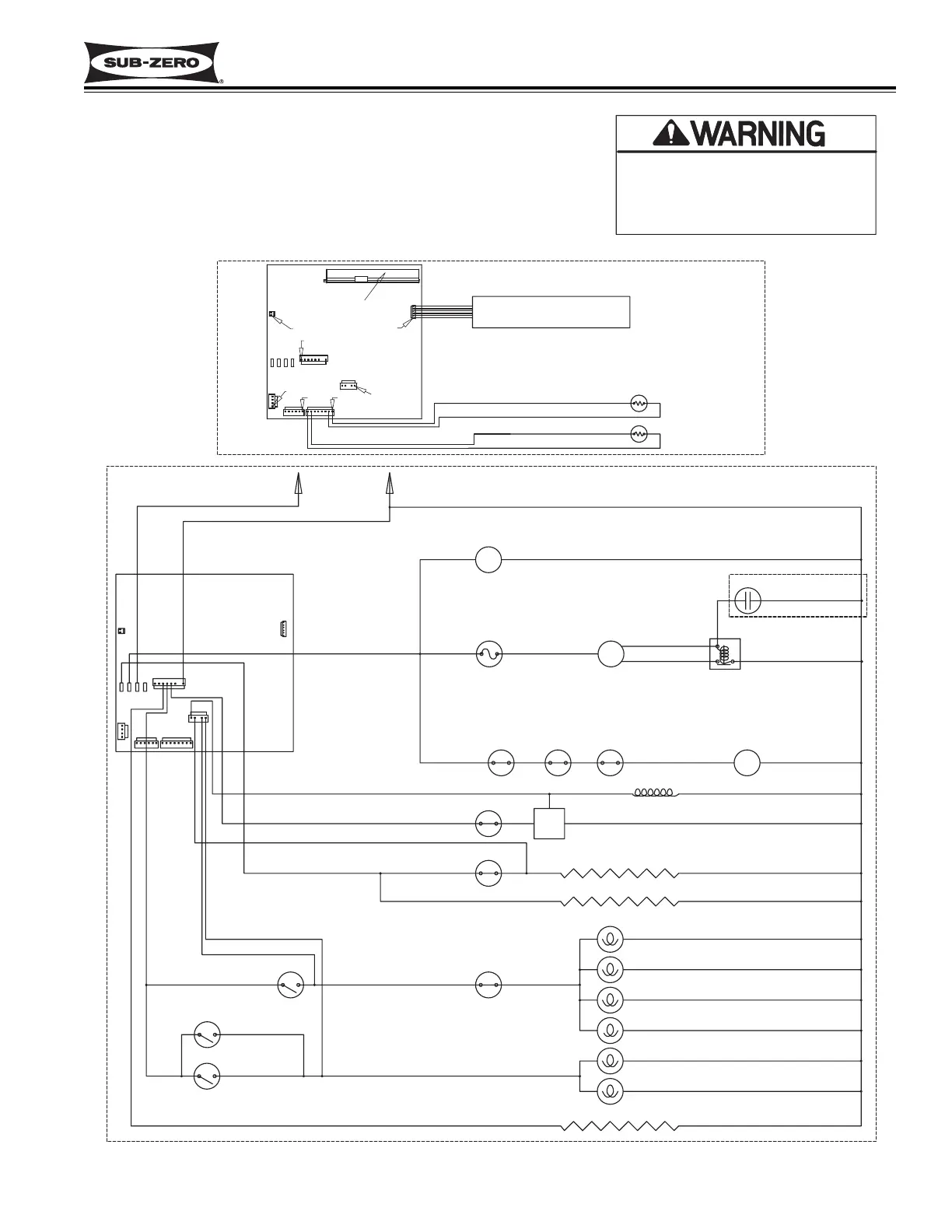
General Information
Integrated (
Integrated (
700-
700-
2) Series
2) Series
10-13
#3756780 - Revision D - July, 2005
DRAIN TROUGH
HEATER
-This wiring information is provided for use by qualified
service personnel only.
-Disconnect appliance from electrical supply before
beginning service.
-Be sure all grounding devices are connected when
service is complete.
-Failure to observe the above warnings may result in
severe electrical shock.
TAN
J6
J5
J3
E2 E7 E10 E6
J2
J1
J7
J4
J5
J7
J3
J2
E2 E6E10E7
J1
J4
LOW VOLTAGE
J6
HIGH VOLTAGE
ICEMAKER
DRAWER
LIGHT
SWITCHES
DOOR
LIGHT SWITCH
LIGHT
TERMINATOR
CONDENSER
FAN MOTOR
DEFROST
TERMINATOR
DOOR
LIGHTS
DRAWER
LIGHTS
FILL TUBE
HEATER
DEFROST
HEATER
FREEZER
OVERLOAD
PROTECTOR
NEUT
115 VOLTS
60 CYCLES
L1
FREEZER
FAN
SWITCHES
WATER
VALVE
FREEZER
COMPRESSOR
STARTING
RELAY
FREEZER
FAN MOTOR
RUNNING
CAPACITOR
ICEMAKER
SWITCH
PART NUMBER 3756680 REV E
2300-2900 OHMS
160 OHMS
WHITE
BLACK
PURPLE
TAN
PINK
GRAY/WHITE
BLUE
ORANGE
ORANGE
WHITE/BLUE
30-38 OHMS
WHITE
PURPLE RED
155-175 OHMS
ORANGE
ORANGE
MEMBRANE SWITCH
DISPLAY
FRZ EVAP
THERMISTOR
BLUE W/BLACK STRIPE
BLUE W/BLACK STRIPE
ORANGE W/RED STRIPE
BLUE W/RED STRIPE
FRZ CAB
THERMISTOR
ORANGE
(WHEN USED)
M
M
M
PIN 1
PIN 1
PIN 1
0
PIN 1
0
0
PIN 1
PIN 1
0
0
0
WIRING SCHEMATIC
MODEL: 700 TF/I-2
(From Serial #1752891 to Serial #1898164)
PIN 1

Related product manuals