EasyManua.ls Logo

Sub-Zero 700-2 Series - Page 17

Sub-Zero 700-2 Series
166 pages
Print Icon
To Next Page IconTo Next Page
To Next Page IconTo Next Page
To Previous Page IconTo Previous Page
To Previous Page IconTo Previous Page
Loading...
Page 17
Electronic Control
Integrated (
Integrated (
700-
700-
2) Series
2) Series
3-7
#3756780 - Revision D - July, 2005
FUNCTIONS OF 700 TALL UNIT ELECTRONIC CONTROL SYSTEM
The following few pages explain the monitoring, regulating and controlling functions of the electronic control system.
Signal trace schematic illustrations for the model 700TC/I-2 are used to demonstrate current flow for the function
being explained.
NOTE: Only normal operating electronic control functions are described along with problems which could cause
error annunciators. All possible malfunctions are addressed in the Troubleshooting Guide.
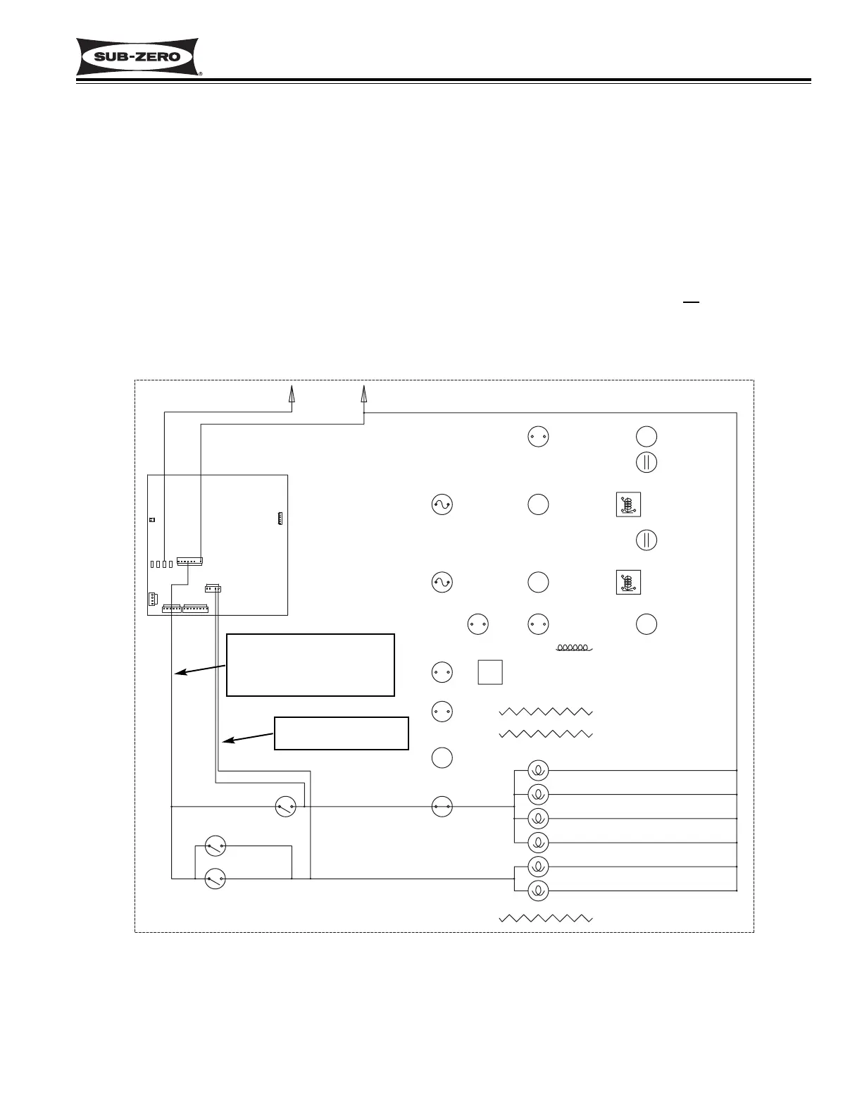
Supply Power to the Lighting System
115 Volts are supplied to the lighting system through the control board when the unit is switched on
by pressing the
UNIT ON/OFF key. (See Figure 3-9.)
NOTE: Disabling the lighting system (Sabbath Mode) is covered in Unique Electronic Control Input Operations.
Figure 3-9. 700TC/I-2 Signal Trace Schematic of Lighting System
J6
J5
J3
E2 E7 E10 E6
J2
J1
J7
J4
HIGH VOLTAGE
FREEZER
LIGHT
SWITCHES
REFRIGERATOR
LIGHT SWITCH
LIGHT
TERMINATOR
REFRIGERATOR
LIGHTS
FREEZER
LIGHTS
NEUT
115 VOLTS
60 CYCLES
L1
WHITE
BLACK
ORANGE
ORANGE
WHITE
ORANGE
ORANGE
ORANGE
ORANGE
M
M
M
M
M
115 Volts are supplied
through J7 to lighting system
unless unit is switched OFF
or is in Sabbath Mode
NOTE:
Door Ajar Sense Lines

Related product manuals