EasyManua.ls Logo

Subaru RGX6500/E - Wiring Diagram (RGX4800 Models)

Subaru RGX6500/E
41 pages
Print Icon
To Next Page IconTo Next Page
To Next Page IconTo Next Page
To Previous Page IconTo Previous Page
To Previous Page IconTo Previous Page
Loading...
ENGLISHFRANÇAISEESPAÑOL
-
32
-
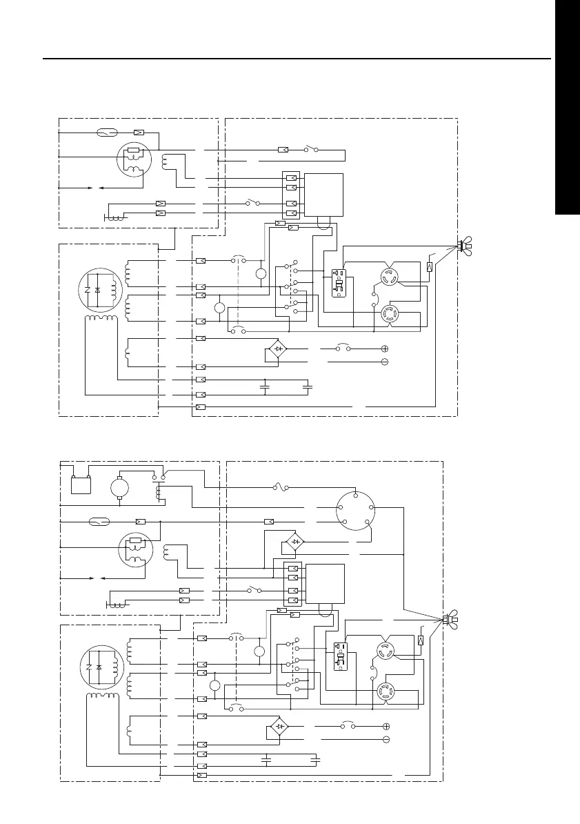
ENGINE
Oil sensor
Ignition coil
Spark plug
Charge coil
Blu
LBlu
W
W
3
2
1
5
GENERATOR
Rotor
Blk
Blu
R
W
Brn
Brn
Y
Y
1
2
3
4
5
6
7
8
9
PL
Hr
Org
Grn
G
WH
G
W
X
G
X
W
Y
CONT.BOX
Blk
Grn
Gry
Field
Winding
AC
Winding 2
AC
Winding 1
DC
Winding
AC circuit
breaker
Pilot
lamp
Hour
meter
Circuit breaker
Circuit
breaker
Diode stack
Assy
Full power
switch
Idle
control
unit
Idle control switch
Solenoid
Condenser
Winding
Engine switch
DC output
terminal
Brn/W
Earth
(Ground)
terminal
CondenserCondenser
REC1
20A
REC3
30A
REC4
30A
RGX4800 (60Hz-120/240V)
Oil sensor
-
+
Ignition coil
Spark plug
Charge coil
3
2
1
5
1
2
3
4
5
6
7
8
9
PL
Hr
G
WH
G
W
X
G
X
W
Y
Fuse 10A
Key switch
Org
R
Grn
Grn
B
-M
IG
+M
ST
Gry
ENGINE
GENERATOR
Rotor
CONT.BOX
Field
Winding
AC circuit
breaker
Pilot
lamp
Hour
meter
Circuit breaker
Circuit
breaker
Diode stack
Assy
Diode stack
Assy
Full power
switch
Idle
control
unit
Idle control switch
Battery
Magnetiec switch
Electric
starter
Blu
LBlu
W
W
Blk
Solenoid
AC
Winding 2
AC
Winding 1
DC
Winding
Condenser
Winding
Grn
DC output
terminal
Earth
(Ground)
terminal
Org
Brn/W
CondenserCondenser
Blk
Blu
R
W
Brn
Brn
Y
Y
REC1
20A
REC3
30A
REC4
30A
RGX4800[w / Starter motor] (60Hz-120/240V)
Blk : Black
Wiring color code
Blk/W : Black/White
Blu : Blue
LBlu : Light blue
Brn : Brown
Brn/W : Brown/White
Grn : Green
Grn/W : Green/White
Org : Orange
Gry : Gray
R : Red
W : White
Y : Yellow
Grn/Y : Green/Yellow
W/Blk : White/Black
Pur : Purple
RGX7500usGU7220.indd32 2011/06/1521:49:02

Related product manuals