EasyManua.ls Logo

Subzero Wolf MD24 - MD Wiring Diagram

Subzero Wolf MD24
42 pages
Print Icon
To Previous Page IconTo Previous Page
To Previous Page IconTo Previous Page
Loading...
Page 42
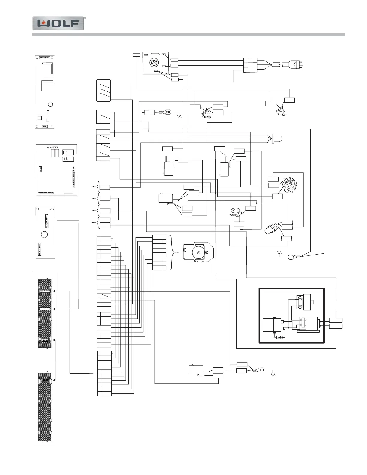
Wiring Diagrams
MD24 and MD30
6-3
#824820 - Revision A - December, 2013
Power Supply
cord 120V 60Hz
1
2
3
WHT
GRN
BLK
OVEN
THERMAL
CUT-OUT
COOLING
FAN
MOTOR
STIRRER
MOTOR
BRN
OVEN LAMP
ORG
BLK
SECONDARY
INTERLOCK
SWITCH
N.O.
N.C.
COM.
COM.
MONITOR
SWITCH
GRN
N.O.
COM.
STOP SWITCH
BLK
GRN
MAGNETRON
THERMAL
CUT-OUT
BLK
ORG
ORG
BRN
RED
WHT
1
2
3
4
CN201
BLK
WHT
ORG
RED
WHT
BLK
WHT
NOISE FILTER
BOARD
N
H
WHT
(LCD BOARD)
CNM
CNK
(SWITCHING POWER SUPPLY)
CN101
CN201
T1
1
2
3
4
5
BLK
RED
CNC
RY1
N.O.
RY1
COM.
RY2
N.O.
RY2
COM.
7
6
5
4
3
2
1
WHT
WHT
WHT
CNA
GRY
WHT
WHT
ORG
RED
1
2
3
CN101
GRY
BRN
GRN
1
2
3
4
5
BLU
WHT
RED
CNN
ORG
1
2
3
4
5
6
7
WHT
WHT
8
WHT
WHT
WHT
WHT
WHT
WHT
1
2
3
4
5
6
7
WHT
WHT
WHT
CNH
9
8
10
WHT
WHT
WHT
WHT
WHT
WHT
1
2
3
4
5
BLU
WHT
RED
DC MOTOR
ORG
GRN
BLK
WHT
WHT
GRN
GRN
GRN
GRY
CN-H
CN-A
COM.
N.O.
RY1
RY2
(POWER SUPPLY)
CN-F
COM.
N.O.
TO DC
MOTOR
6
7
8
YLW
BLK
BRN
7
8
WHT
WHT
WHT
WHT
GRY
WHT
5
BLK
6
7
8
YLW
BLK
BRN
ORG
CN-N
CN-C
RY3
RY4
N.O.
COM.
ORG
BRN
RED
THIRD
DOOR
SWITCH
BLK
RED
From PSU CN-H
(METAL KEY UNIT BOARD)
KEY BOARD
CONNECTION
CABLE
HIGH VOLTAGE
CAPACITOR
POWER
TRANSFORMER
MAGNETRON
HIGH VOLTAGE COMPONENTS
WHITE
ORANGE
RED
WHITE
RED
LCD BOARD
CONNECTION
CABLE
RIGHT SIDE
LEFT SIDE
NOTE: RIGHT SIDE OF KEY UNIT BOARD HAS A NOISE FILTERING BOARD FOR SIGNAL. EARLIER KEY UNIT BOARDS HAD THE NOISE FILTERING
BOARD SHOWING AND LATER HAD THE FILTERING CAPS INCORPERATED INTO THE KEY UNIT BOARD.
*
*
MD WIRING DIAGRAM

Table of Contents