EasyManua.ls Logo

Summerset TR-26N - Page 18

Summerset TR-26N
25 pages
Print Icon
To Next Page IconTo Next Page
To Next Page IconTo Next Page
To Previous Page IconTo Previous Page
To Previous Page IconTo Previous Page
Loading...
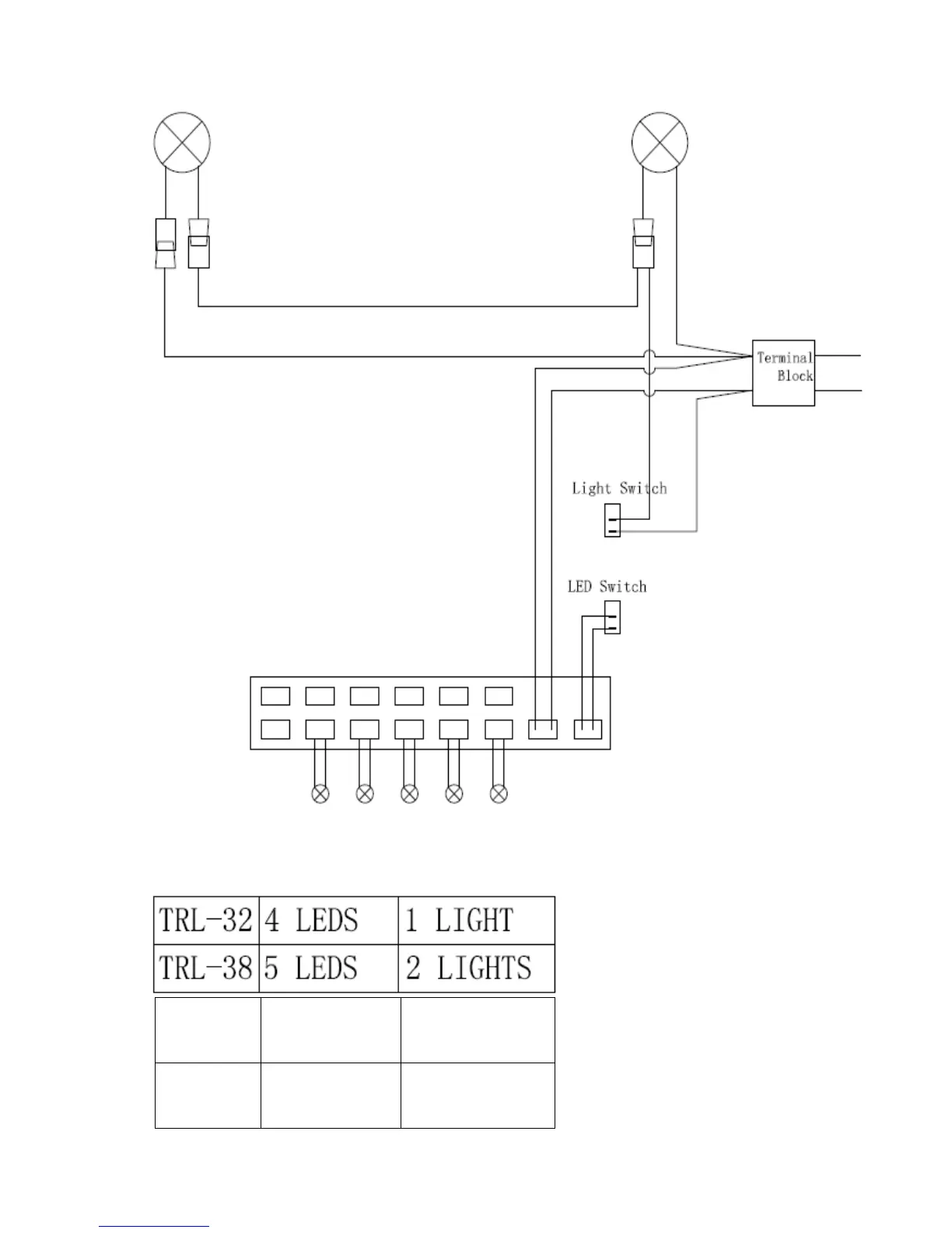
TRLD-
32
4 LEDS
2 LIGHTS
TRLD-
44
5 LEDS
2 LIGHTS

Related product manuals