EasyManua.ls Logo

Summit Pool Heat Pump - Page 11

Summit Pool Heat Pump
24 pages
Print Icon
To Next Page IconTo Next Page
To Next Page IconTo Next Page
To Previous Page IconTo Previous Page
To Previous Page IconTo Previous Page
Loading...
OWNER’S MANUAL
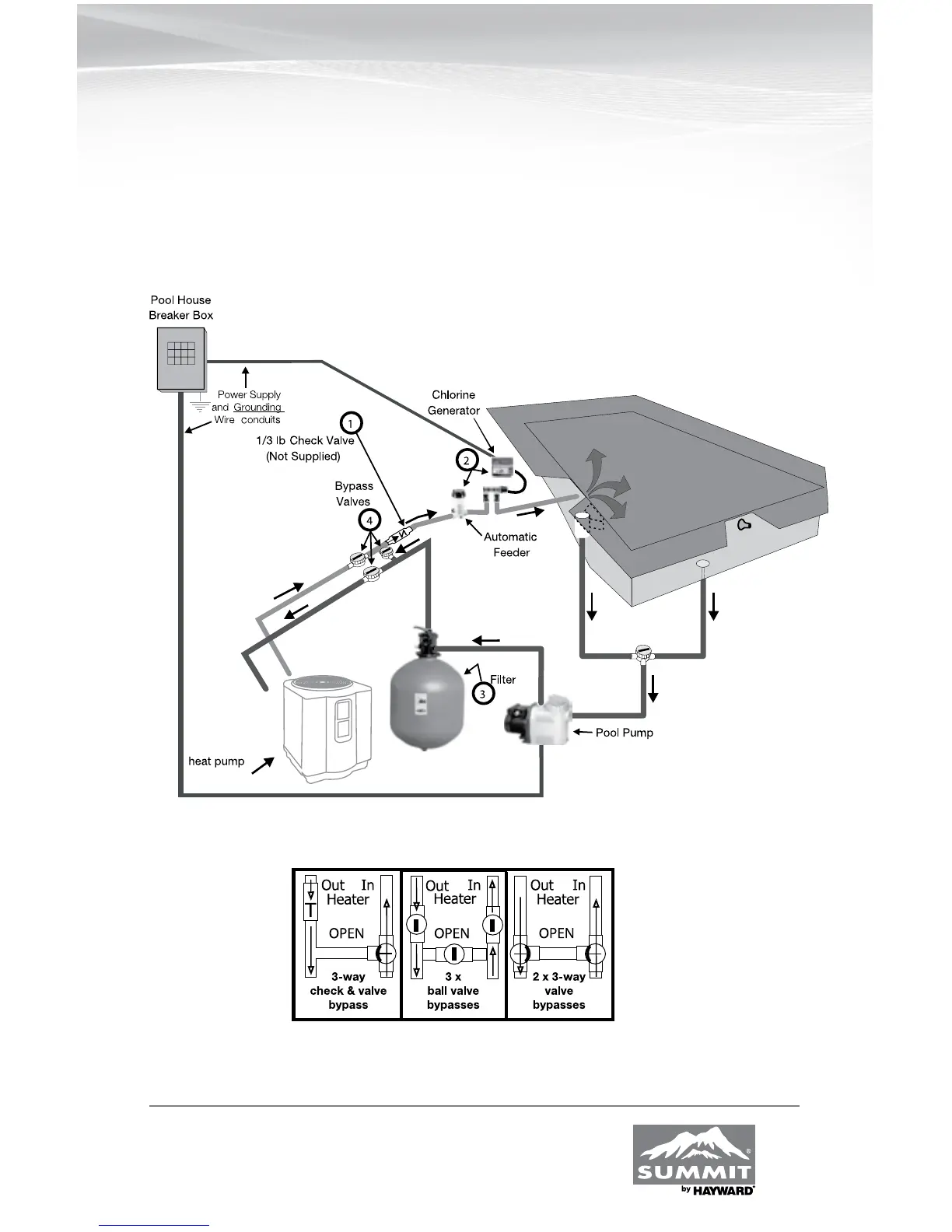
Bonding and Plumbing diagram
Fig. 2
Fig. 3
SUMMIT
9