EasyManua.ls Logo

Summit TX25H - Detailed View of Hydraulic System

Summit TX25H
30 pages
Print Icon
To Next Page IconTo Next Page
To Next Page IconTo Next Page
To Previous Page IconTo Previous Page
To Previous Page IconTo Previous Page
Loading...
I T L S E R V I C E M A N U A L
H-3
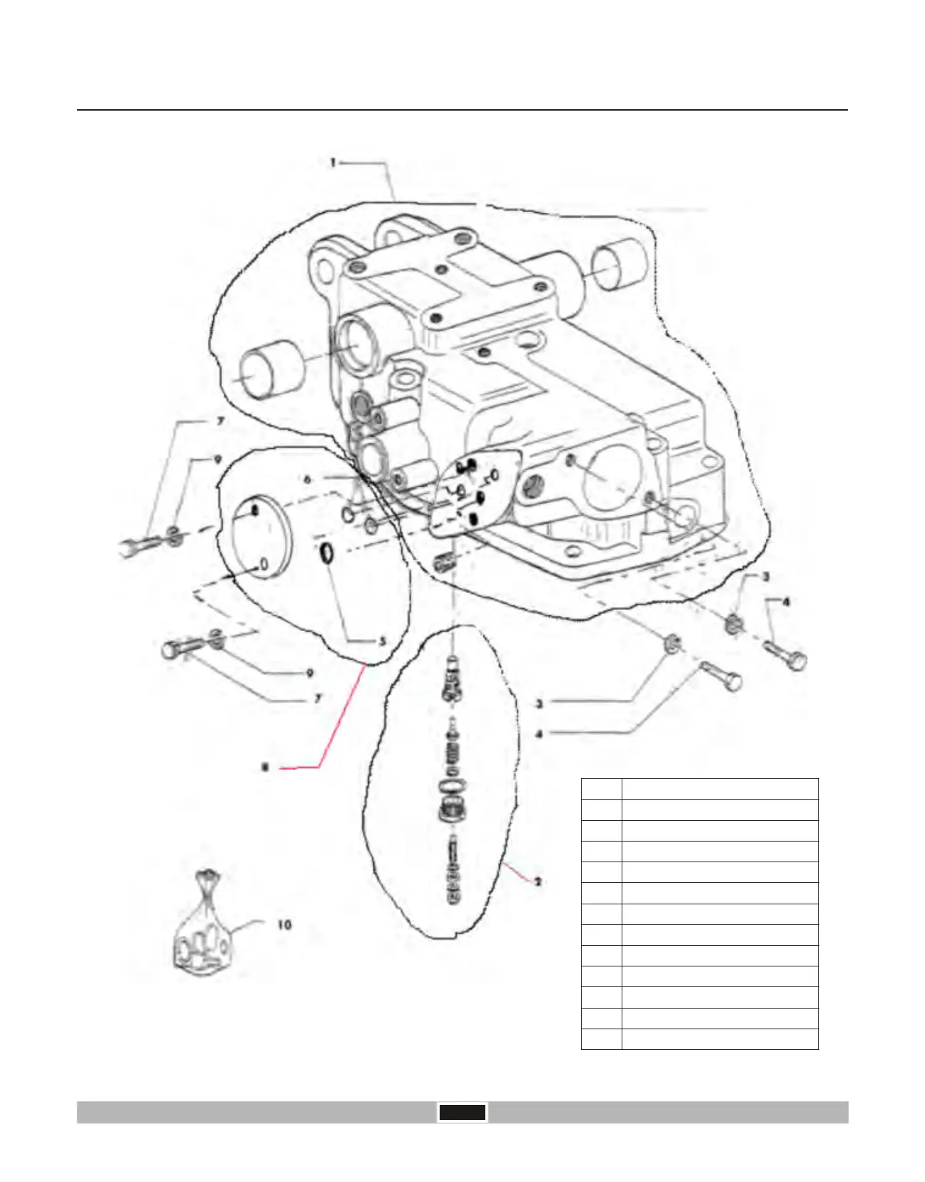
H 3.0 DETAILED VIEW OF HYDRAULIC SYSTEM
HYDRAULIC SYSTEM
1 Lift Body Assembly
3 Lock Washer D=8 Din 7980
6 Encl. in Seal Kit
4 Screw M8x35 8g Din 931
Tab. 2 - Pos. 3 -7- 8 -10-11
7 Screw M10x35 Uni5737
2 Kit Relief Valve
Tab. 4 - Pos. 4
8 Kit Flange with O-ring
9 Washer D=10/20x2,6 Zn
Tab. 1 - Pos. 5 - 6
10 Seal Kit:
5 Encl. in Seal Kit

Other manuals for Summit TX25H