EasyManua.ls Logo

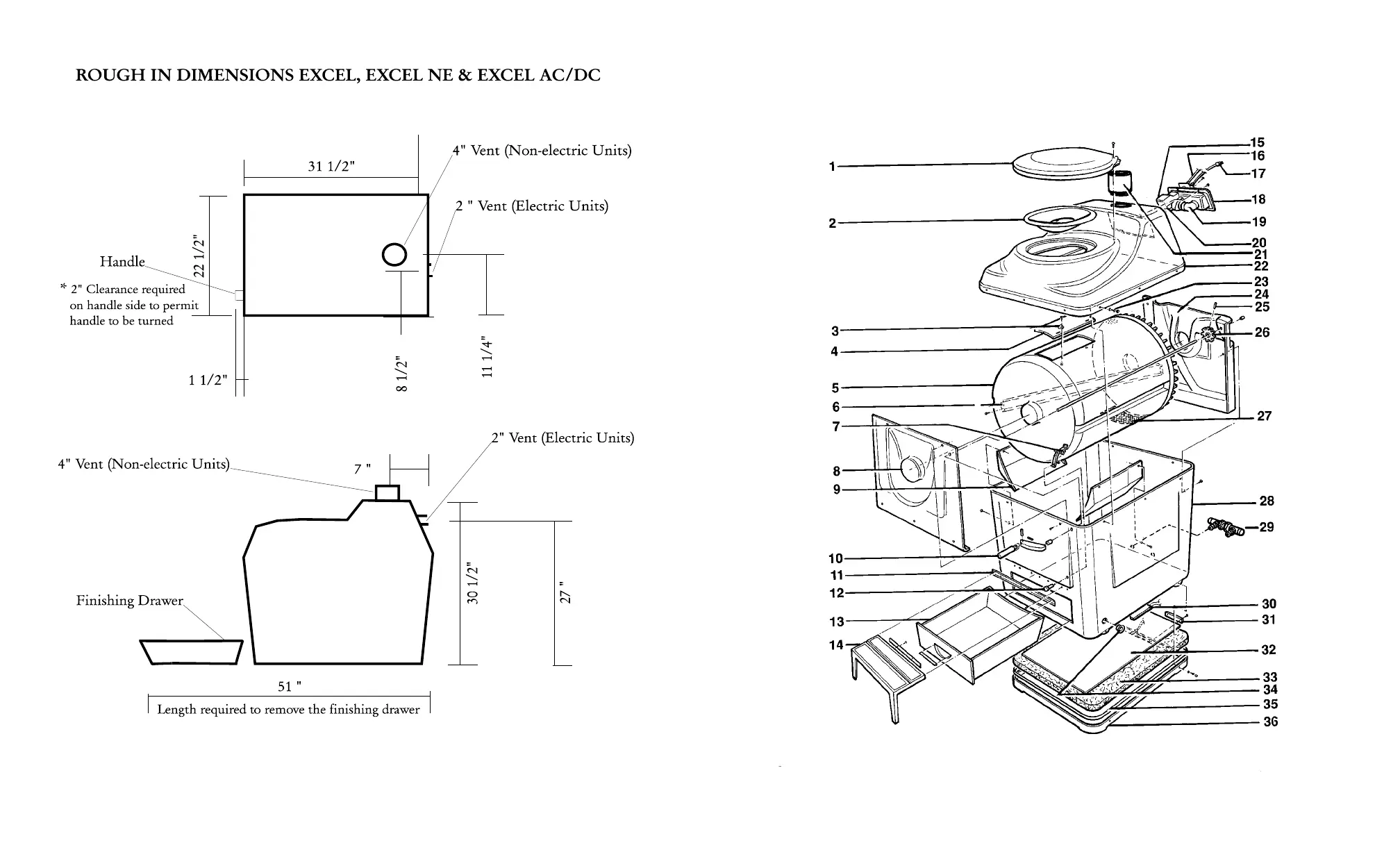
Sun-Mar EXCEL AC/DC - ROUGH IN DIMENSIONS; Unit Size and Clearances; EXPLOSION DRAWING; Component Identification

Sun-Mar EXCEL AC/DC
10 pages
Print Icon
To Next Page IconTo Next Page
To Next Page IconTo Next Page
To Previous Page IconTo Previous Page
To Previous Page IconTo Previous Page
Loading...
-6-
-15-
EXPLOSION DRAWING

Related product manuals