EasyManua.ls Logo

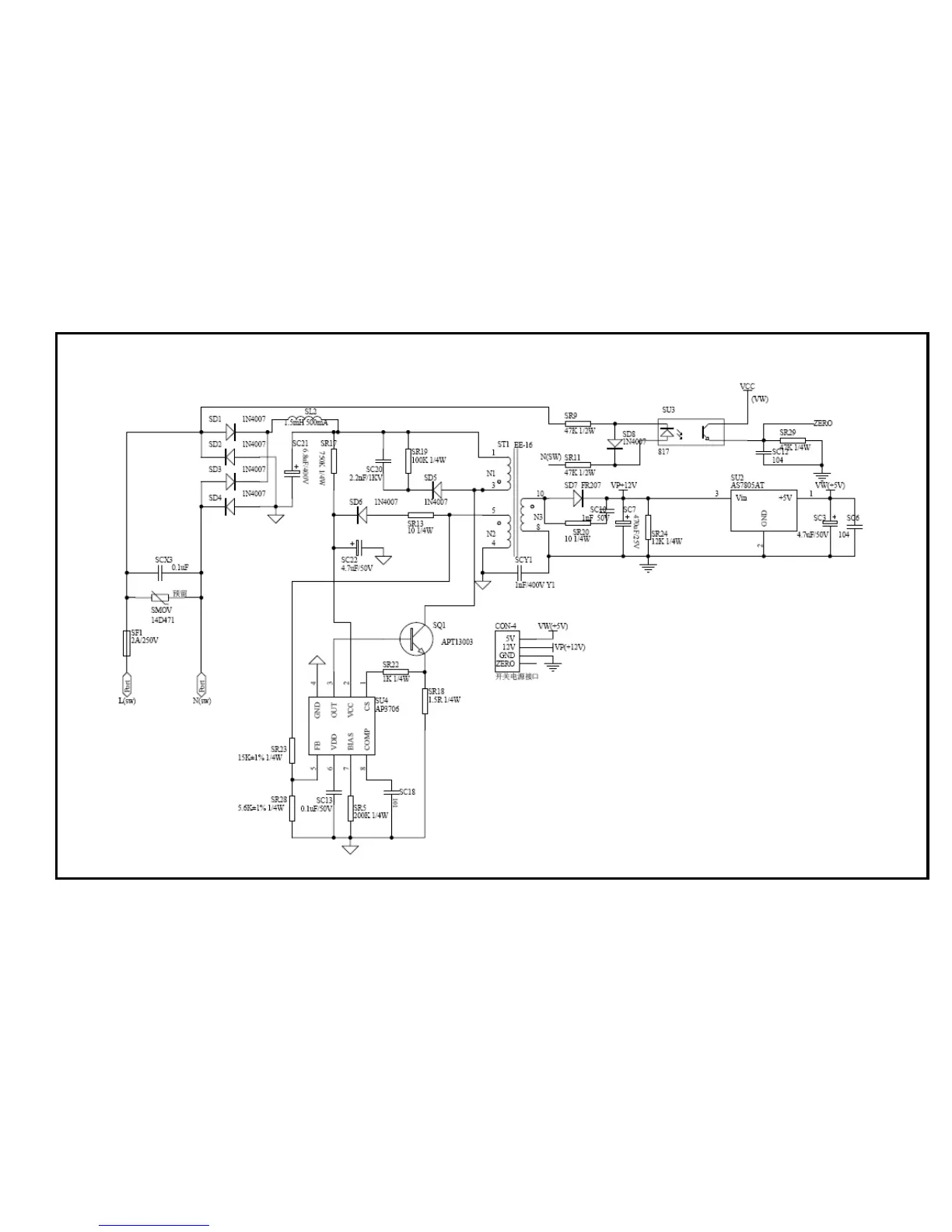
Sunbeam BM2500 - Power Circuit Diagram

Sunbeam BM2500
5 pages
Print Icon
To Previous Page IconTo Previous Page
To Previous Page IconTo Previous Page
Loading...
BM2500 Bread Maker Service Manual Issue: A Page 5 of 5
Power Circuit

Related product manuals