EasyManua.ls Logo

Sunbeam BM7850 - Circuit Diagram

Sunbeam BM7850
8 pages
Print Icon
To Previous Page IconTo Previous Page
To Previous Page IconTo Previous Page
Loading...
BM7850 Bread Maker Issue: A Page 8 of 8
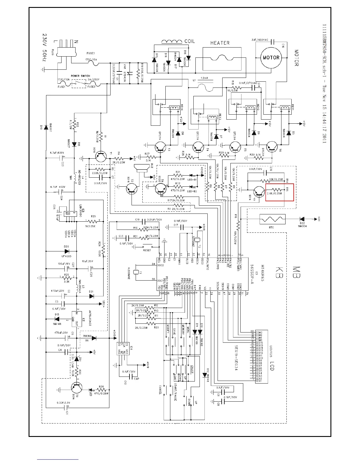
CIRCUIT DIAGRAM

Related product manuals