EasyManua.ls Logo

Suzuki AN650/A - System Diagrams and Functions; FI System Wiring Diagram

Suzuki AN650/A
62 pages
To Next Page IconTo Next Page
To Next Page IconTo Next Page
To Previous Page IconTo Previous Page
To Previous Page IconTo Previous Page
Loading...
AN650/AK7 (’07-MODEL) 11
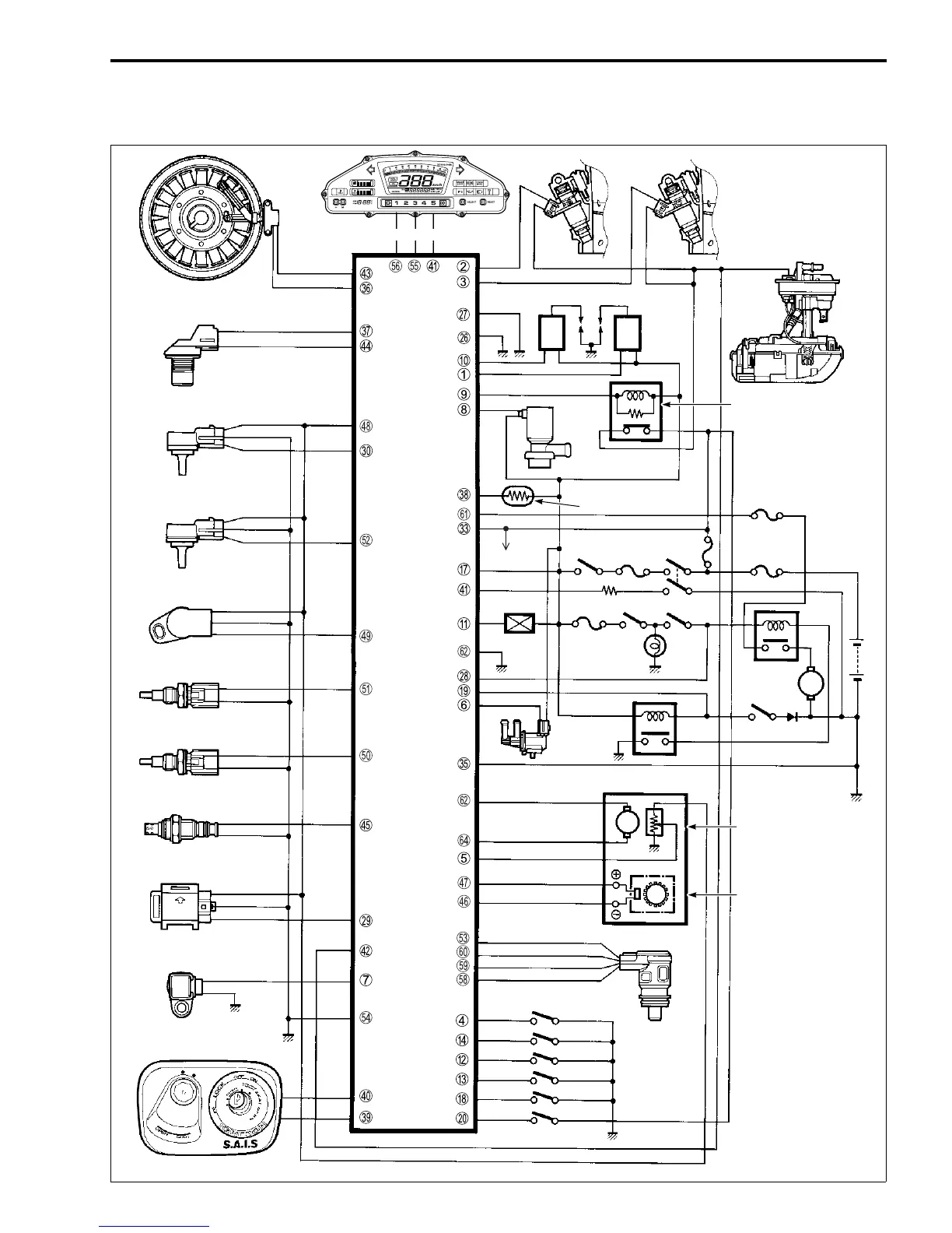
FI SYSTEM WIRING DIAGRAM
Crankshaft position sensor(CKPS)
Camshaft position sensor (CMPS)
Combination
meter
Fuel injector #1 Fuel injector #2
Ignition coil #2
Ignition coil #1
M
M
30 A
10 A
15 A
40 A
*3
*2
ECM/PCM
*1
*1
*1
Fuel pump
Intake air pressure sensor (IAPS)
Ambient pressure sensor
(APS)
Throttle position sensor
(TPS)
Engine coolant temperature
sensor (ECTS)
Intake air temperature
sensor (IATS)
HO2 sensor (HO2S)
Tip-over sensor (TOS)
Speed sensor
Immobilizer
ISC valve
Shift up
switch
Side-stand relay
EVAP system
purge control
solenoid
valve
Shift down
switch
Mode
switch
Power
switch
Center stand
switch
Brake light
switch
*1: For E-02, 19, 24
*2: For E-03, 28, 33
*3: For E-33 only
Pulley position sensor
CVT unit
Starter
relay
HO2 sensor heater
Brake
light
Cooling
fan relay
Starter
switch
Ignition
switch
PAIR
control
solenoid
valve
Brake light
switch
Engine
stop switch
Side-stand switch
CVT motor
Fuel pump relay
To
Combi-
nation
meter
W
W/G
Gr/B
B/W
B/W
W/Bl
Y/Bl
B/Y
G/Bl
Y/W
R/B
O/W
O/Y
B/W
R/W
G/R
G/B
B/Lg
P/W
W/B
G/W
R/W
Lg/Y
W/B
B
G
Dbr
Br
Bl
G
Y
Lg
Gr/Y
Y/G
R/Bl
Gr/W
B/Y
Br
R
Lg/B
G/Y
P/B
B/Bl
B/G
Br/R
Y/R
P
B/Br
B/O
Y/Bl
Dg
P/W O/BlBr/W
Secondary pulley
revolution sensor
SAMPLE

Related product manuals