EasyManua.ls Logo

Swisher PREDATOR - Mower Deck Assembly; Transaxle Assembly

Swisher PREDATOR
16 pages
Print Icon
To Next Page IconTo Next Page
To Next Page IconTo Next Page
To Previous Page IconTo Previous Page
To Previous Page IconTo Previous Page
Loading...
PAGE 12
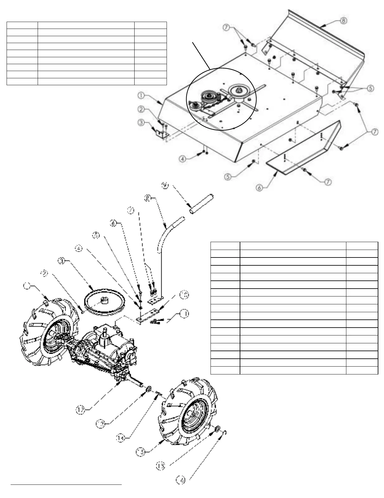
Item # Description Part #
1 Deck Weldment 10695*
2 1/4-20 X 3/4 GR5 ZP Bolt NB250
3 Blade Engagement Cable Clip 10673*
4 1/4-20 Nyloc Nut NB180
5 Nut - Serrated Flange 5/16-18 NB170
6 Deck Side Skid 18512*
7 Bolt - Serrated Flange, 5/16-18 X 3/4 NB596
8 Brush Guard 10681*
13
MOWER DECK ASSEMBLY
TRANSAXLE ASSEMBLY
When ordering replacement parts
*USE PAINT CODE: TK=BLACK
Item # Description Part #
1 Wheel - Asy Right; WB24 4.8x8 2401RK
2 Screw - Set 5/16-18 X 1/2 NB312
3 Pulley - Transmission, 8" 2410
4 Washer - SAE Flat 1/4 ZY NB274
5 Washer - 1/4 Split Lock NB135
6 Bolt - Hex 1/4-28 X 3/4 06X105
7 Bolt - Serr Flange, 5/16-18 X 3/4 NB596
8 Weldment - Shift Handle 13897*
9 Grip - Transmission Lever 2427
10 Lever - Transmission 20652*
11 Nut - Serr Flange 5/16-18 NB170
12 Transaxle - 4 Speed 19563
13 Washer - 3/4ID X 1 1/4OD NB184
14 Key Stock - 3/16 X 1 1/2 2434
15 Wheel - Asy Left; WB24 4.8x8 2401LK
16 Ring - E-Style Retaining 3/4 NB621

Related product manuals