EasyManua.ls Logo

Swisher PREDATOR - Assembly Detail

Swisher PREDATOR
16 pages
Print Icon
To Next Page IconTo Next Page
To Next Page IconTo Next Page
To Previous Page IconTo Previous Page
To Previous Page IconTo Previous Page
Loading...
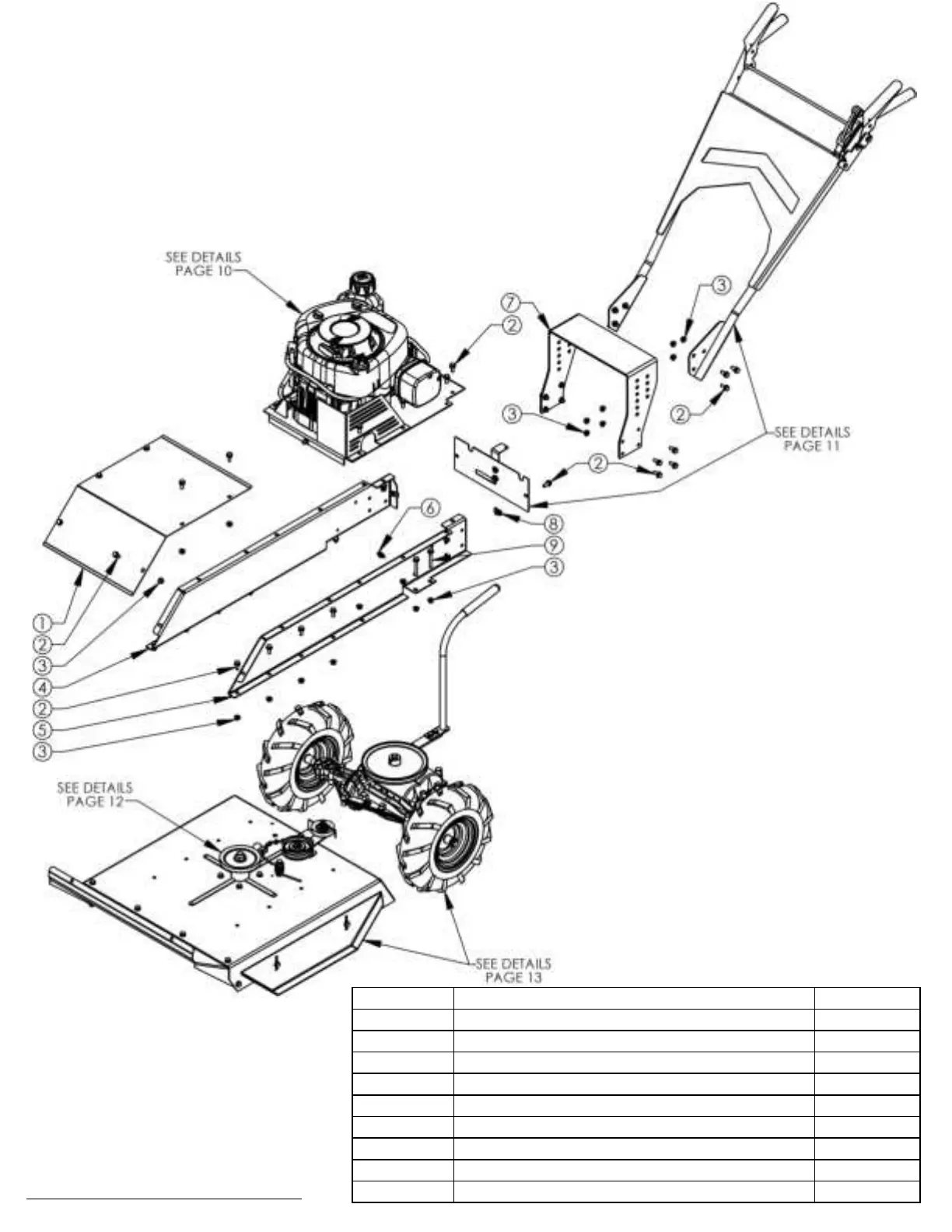
ASSEMBLY DETAIL
9
When ordering replacement parts
*USE PAINT CODE: TK=BLACK
Item # Description Part #
1 Cover - Belt 10682*
2 Bolt - Serrated Flange 5/16-18 X 3/4 NB596
3 Nut - Serrated Flange 5/16-18 NB170
4 Channel - Right Side 19211*
5 Channel - Left Side 19212*
6 Clip - Twistlock, Nylon 1/2" NB683
7 Height Adjustment Mount 19214*
8 Clip - Tinnerman 5/16-18 3706
9 Bolt - Serrated Flange 5/16-18 X 2 1/4 NB622

Related product manuals