EasyManua.ls Logo

Sym ALA125CC - Engine Removal; Mechanism Diagram

Sym ALA125CC
178 pages
Print Icon
To Next Page IconTo Next Page
To Next Page IconTo Next Page
To Previous Page IconTo Previous Page
To Previous Page IconTo Previous Page
Loading...
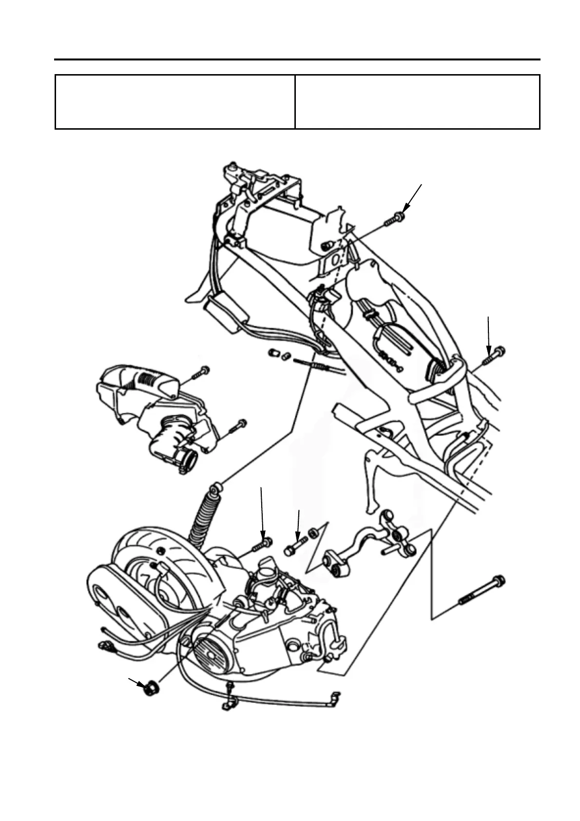
SYM 5. REMOVAL OF ENGINE
5-1
MECHANISM DIAGRAM......................5-1
OPERATIONAL PRECAUTIONS .........5-2
ENGINE REMOVAL .............................5-3
REMOVAL OF ENGINE SUSPENSION BUSHING .5-6
ENGINE SUSPENSION FRAME.......... 5-7
INSTALLATION OF ENGINE ...............5-8
MECHANISM DIAGRAM
3.5~4.5kgf-m
2.4~3.0kgf-m
4.5~5.5kgf-m
4.5~5.5 kgf-m
4.5~5.5kgf-m

Related product manuals