EasyManua.ls Logo

Sym ALA125CC - Charging System

Sym ALA125CC
178 pages
Print Icon
To Next Page IconTo Next Page
To Next Page IconTo Next Page
To Previous Page IconTo Previous Page
To Previous Page IconTo Previous Page
Loading...
SYM 16. ELECTRICAL EQUIPMENT
16-5
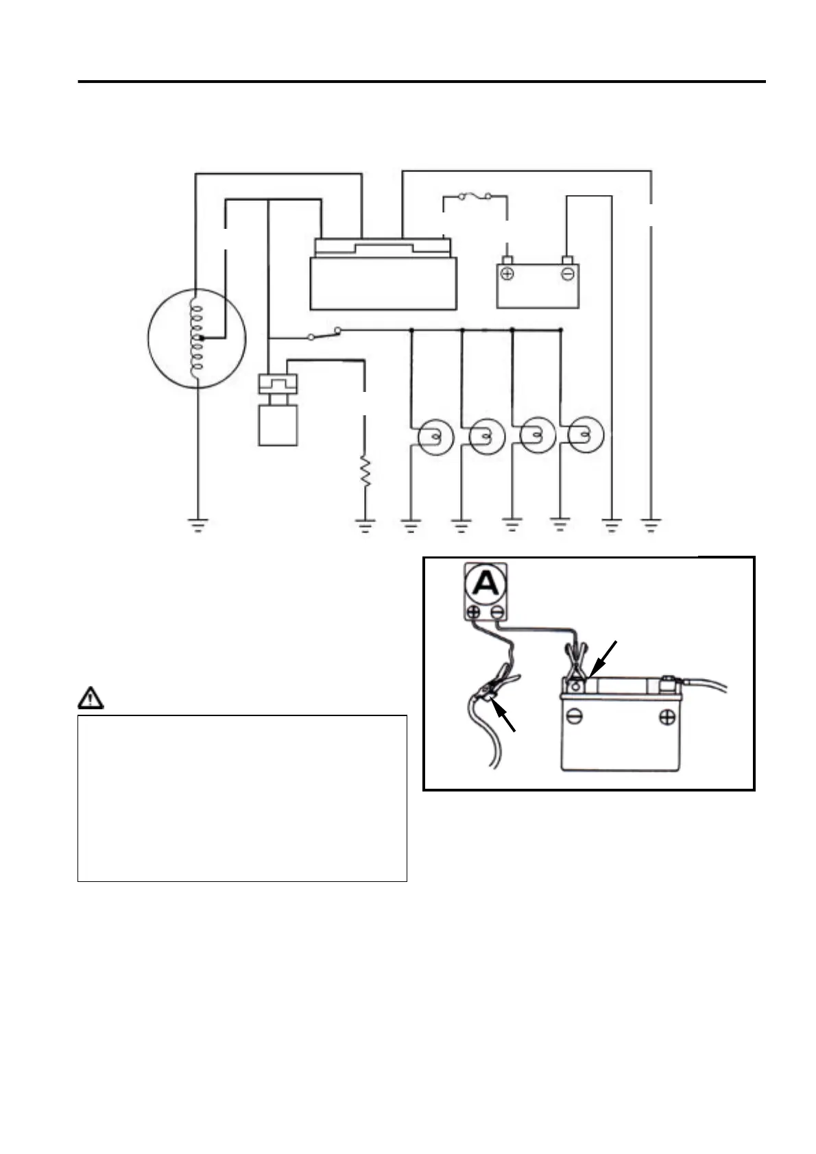
CHARGING SYSTEM
Charging wire diagram
Current Leakage Inspection
Turn the main switch to OFF position, and
remove the negative cable terminal (-) from
the battery.
Connect an ammeter between the negative
cable terminal and the battery negative
terminal (as shown on left diagram).
Caution
If the leaked current exceeds the specified value,
it may indicate a short circuit.
Allowable current leakage: Less than 1 mA.
Disconnect each cable one by one and take
measurement of the current of each cable to
locate the short circuit.
In the current leakage test, set the
current range at larger scale, then
gradually decrease to the lower scale
as the test process goes to avoid
possible damage to the ammeter and
the fuse.
Do not turn the main switch to “ON”
position during test.
Battery(-) terminal
ground
wire
alternator
Auto
by-starter
REG.REC.
fuse(7A)
Battery
12V 6AH
green
yellow
white
red
5W
5
green/black
green
red
green

Related product manuals