EasyManua.ls Logo

Sym ALA125CC - Cylinder Head and Valve; Mechanism Diagram

Sym ALA125CC
178 pages
Print Icon
To Next Page IconTo Next Page
To Next Page IconTo Next Page
To Previous Page IconTo Previous Page
To Previous Page IconTo Previous Page
Loading...
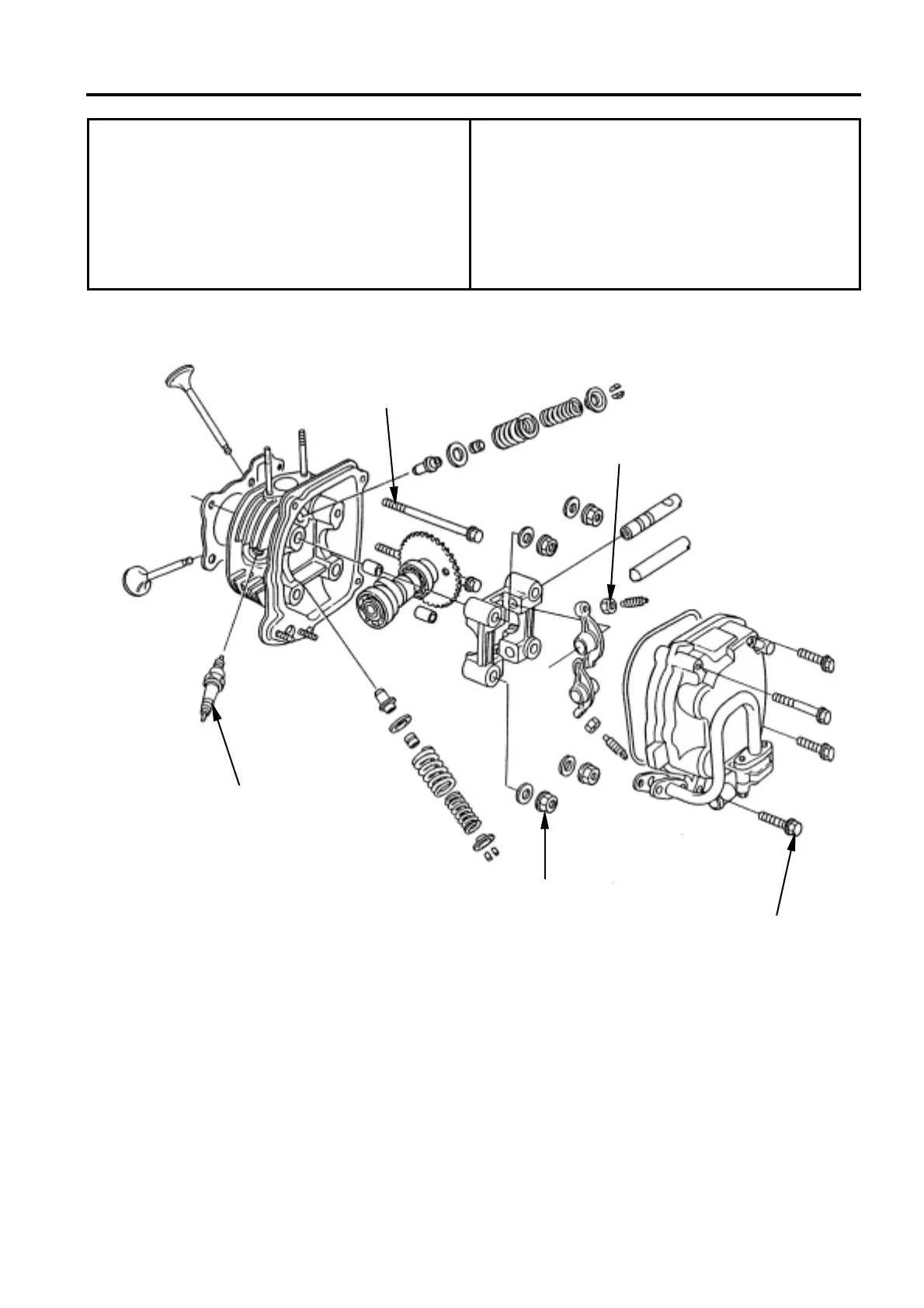
SYM 6. CYLINDER HEAD/VALVE
6-1
MECHANISM DIAGRAM....................6-1
PRECAUTIONS IN OPERATION .......6-2
TROUBLE SHOOTING.......................6-3
CAMSHAFT REMOVAL .....................6-4
CYLINDER HEAD REMOVAL ............6-6
CYLINDER HEAD DISASSEMBLY ....6-7
CYLINDER HEAD INSPECTION..........6-8
VALVE SEAT INSPECTION AND SERVICE
6-10
CYLINDER HEAD REASSEMBLY .......6-12
CYLINDER HEAD INSTALLATION......6-13
CAMSHAFT INSTALLATION ...............6-13
VALVE CLEARANCE ADJUSTMENT..6-14
MECHANISM DIAGRAM
1.0~1.4 kgf-m
1.0~1.5 kgf-m
1.0~1.4 kgf-m
0.8~1.2 kgf-m
1.8~2.2 kgf-m

Related product manuals