EasyManua.ls Logo

Sym ALA125CC - Final Driving Mechanism; Mechanism Diagram

Sym ALA125CC
178 pages
Print Icon
To Next Page IconTo Next Page
To Next Page IconTo Next Page
To Previous Page IconTo Previous Page
To Previous Page IconTo Previous Page
Loading...
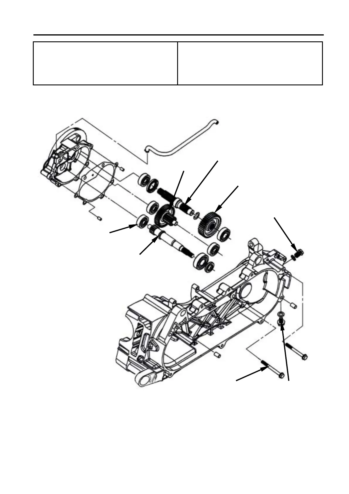
SYM 9. FINAL DRIVING MECHANISM
9-1
MECHANISM DIAGRAM....................9-1
OPERATIONAL PRECAUTIONS .......9-2
TROUBLE DIAGNOSIS......................9-2
DISASSEMBLY OF FINAL DRIVING MECHANISM .........9-3
INSPECTION OF FINAL DRIVING MECHANISM..9-3
BEARING REPLACEMENT................9-4
RE-ASSEMBLY OF FINAL DRIVING MECHANISM.........9-6
MECHANISM DIAGRAM
driving gear
countershaft gear
final driving gear
final driving shaft
countershaft
1.8~2.2 kgf-m
1.0~1.4 kgf-m
3.5~4.5 kgf-m

Related product manuals