EasyManua.ls Logo

Sym ALA125CC - Page 93

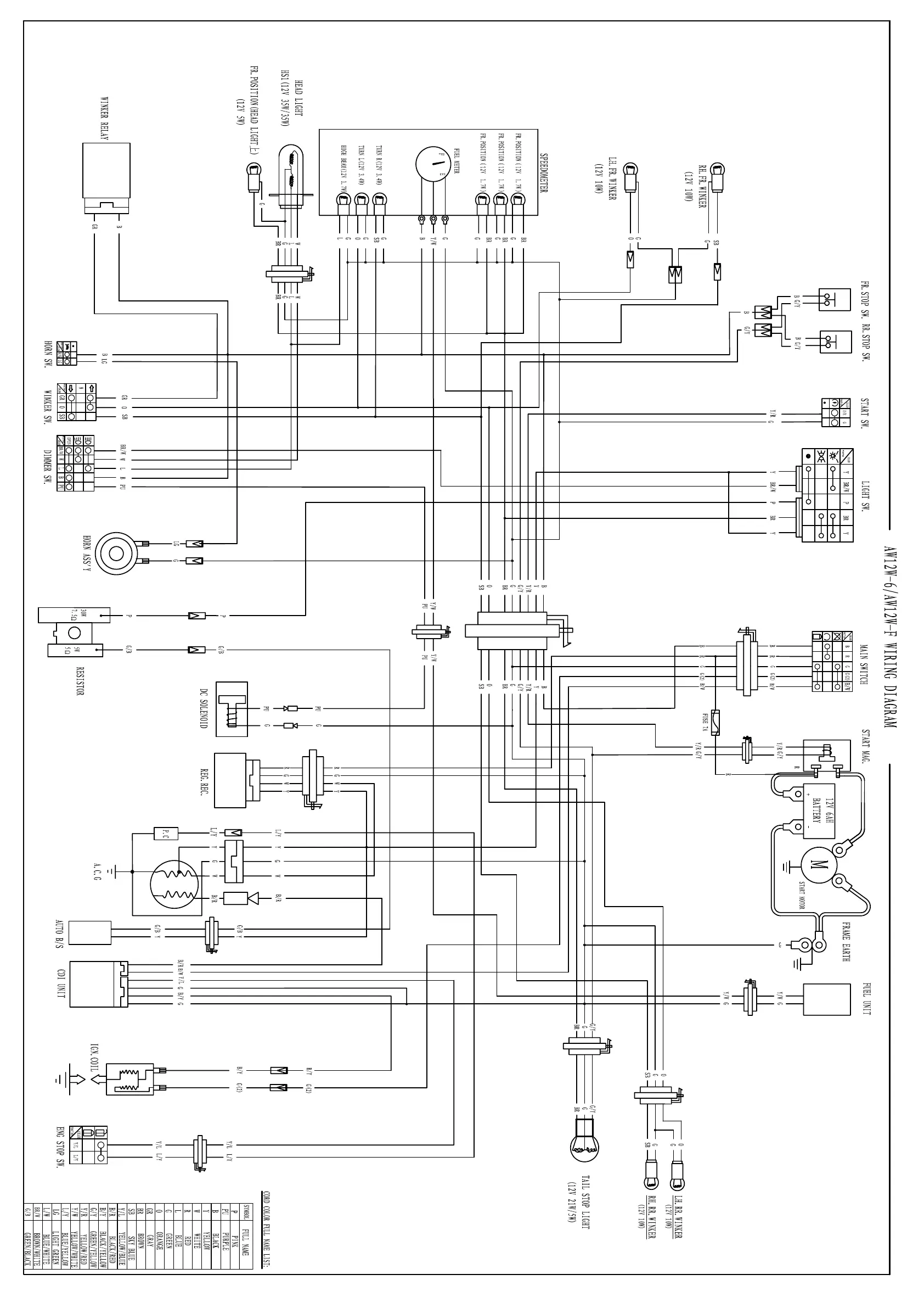
Sym ALA125CC
178 pages
Print Icon
To Next Page IconTo Next Page
To Next Page IconTo Next Page
To Previous Page IconTo Previous Page
To Previous Page IconTo Previous Page
Loading...

Related product manuals