EasyManua.ls Logo

Symphonic ST419E - Page 30

Symphonic ST419E
67 pages
Print Icon
To Next Page IconTo Next Page
To Next Page IconTo Next Page
To Previous Page IconTo Previous Page
To Previous Page IconTo Previous Page
Loading...
A1
A2
A3
A4
B1
B2
B3
B4
C1
C2
C3
C4
D1
D2
D3
D4
E1
E2
E3
E4
F1
F2
F3
F4
VIDEO SIGNAL
AUDIO SIGNAL
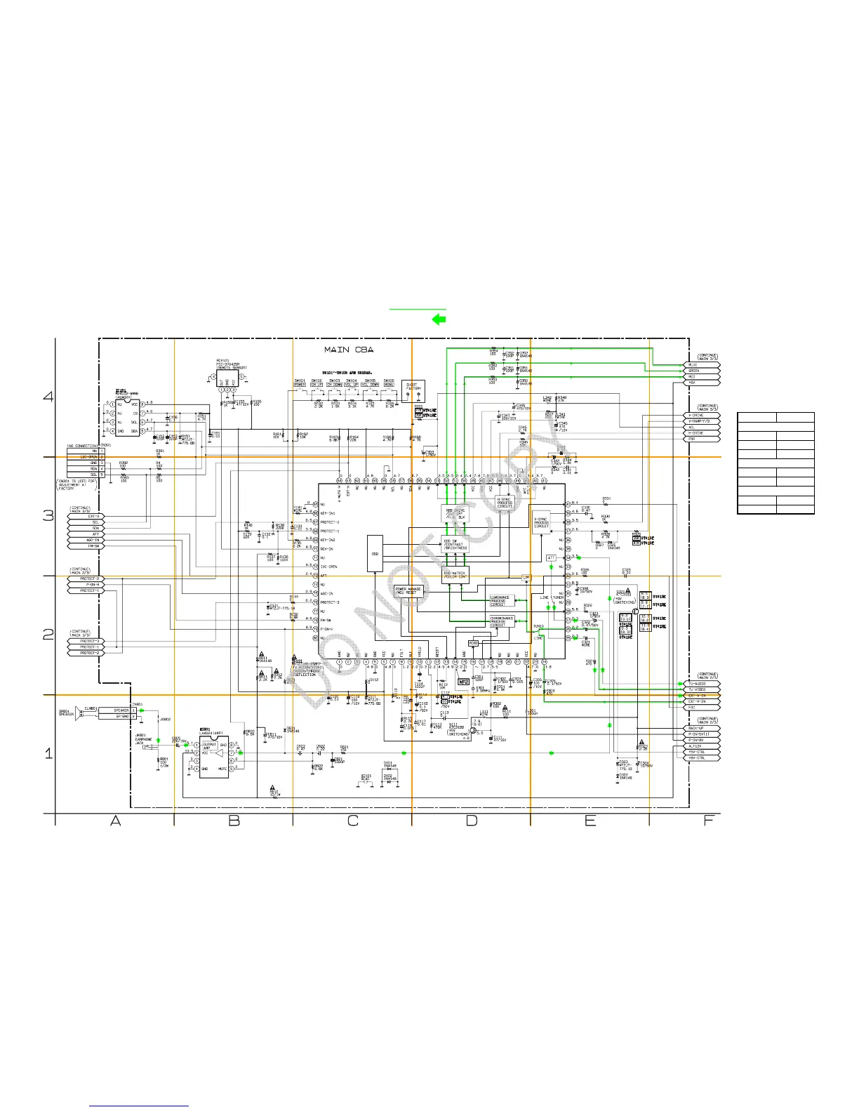
Main 1/3 Schematic Diagram
7-3 7-4
L2200SCM1
MAIN 1/3
Ref No. Position
IC111
C-2
IC151
A-4
IC801
B-1
Q111 D-1
Q321 E-2
CN301
A-4
CN801 A-1
CONNECTORS
ICS
TRANSISTORS

Related product manuals