EasyManua.ls Logo

Symphonic ST419E - Page 31

Symphonic ST419E
67 pages
Print Icon
To Next Page IconTo Next Page
To Next Page IconTo Next Page
To Previous Page IconTo Previous Page
To Previous Page IconTo Previous Page
Loading...
G1
G2
G3
G4
H1
H2
H3
H4
I1
I2
I3
I4
J1
J2
J3
J4
K1
K2
K3
K4
L1
L2
L3
L4
IF SIGNAL
VIDEO SIGNAL
AUDIO SIGNAL
7-5
7-6
L2200SCM2
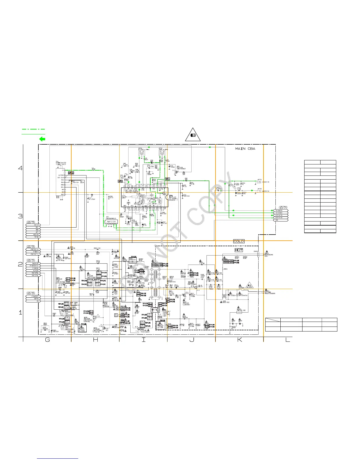
Main 2/3 Schematic Diagram
NOTE :
The voltage for parts in hot circuit is measured
using hot GND as a common terminal.
CAUTION: FOR CONTINUED PROTECTION AGAINST RISK
OF FIRE, REPLACE ONLY WITH SAME TYPE 4A, 125V FUSE.
ATTENTION: UTILISER UN FUSIBLE DE RECHANGE DE
MÊME TYPE DE 4A, 125V.
4A/125V
*
1 NOTE:
The Capacitor ( C643 ) is either type A or type B.
These two types are exchangeable and can be
equally used whichever the model is . The difference
between type A and type B is shown in the table below.
Type A
Type B
4700P/250V
0.01/250V
0.01/250V
Not Used
C643 C642 JS642
Not Used
WIRE
CAUTION !
Fixed voltage ( or Auto voltage selectable ) power supply circuit is used in this unit.
If Main Fuse (F601) is blown, check to see that all components in the power supply
circuit are not defective before you connect the AC plug to the AC power supply.
Otherwise it may cause some components in the power supply circuit to fail.
MAIN 2/3
Ref No. Position
IC31
J-3
IC601
I-1
Q31
J-4
Q601
J-2
Q602 J-1
Q662
I-1
Q671
H-2
Q675
H-1
Q676
H-1
Q681
G-2
Q682
G-1
Q683
G-1
CN691 K-2
VR661 I-1
CONNECTOR
VARIABLE RESISTOR
ICS
TRANSISTORS

Related product manuals