EasyManua.ls Logo

Synectic Electronics SY035 - Page 10

Synectic Electronics SY035
10 pages
Print Icon
To Previous Page IconTo Previous Page
To Previous Page IconTo Previous Page
Loading...
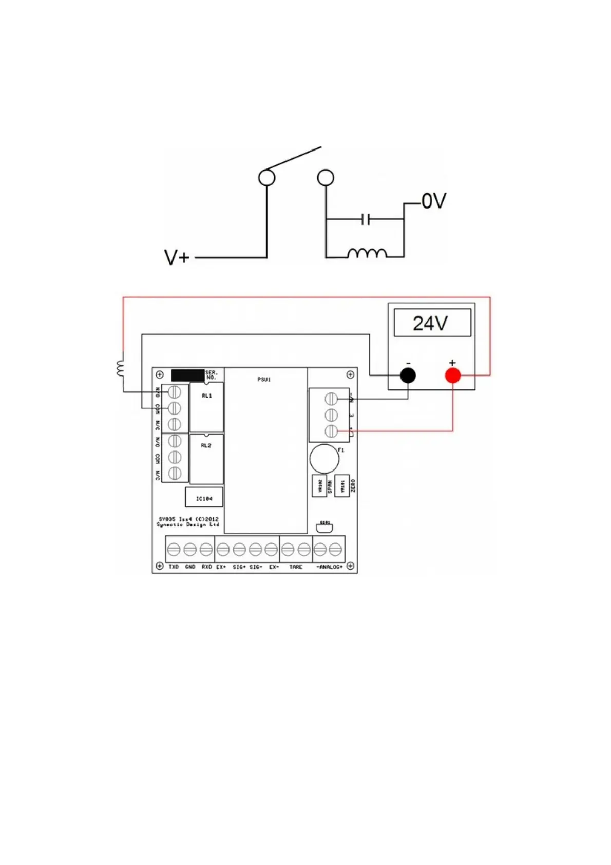
Suppression
When relays are used to switch an inductive load, such as a contactor, a solenoid or another relay, a
suppressor should be fitted across the coil. This will suppress the high voltage spike which would otherwise be
generated when the coil is de-energized. If not suppressed this can affect instruments in the vicinity, including
the SY035, and significantly reduce the life of the relay contacts. A varistor of the appropriate voltage, or a
capacitive suppressor can be used. The ideal way to connect power to the controller and the inductive load is
to use two separate power supply’s one to power the controller and one for the contactor, solenoid or relay, if
that isn’t possible source the controller and inductive load separately (Fig2).
Fig1: Example showing a capacitive suppressor
Fig2: How to source the controller and solenoid separately