EasyManua.ls Logo

SystemAir K Series - Page 25

SystemAir K Series
36 pages
To Next Page IconTo Next Page
To Next Page IconTo Next Page
To Previous Page IconTo Previous Page
To Previous Page IconTo Previous Page
Loading...
A. Contact rating, maximum AC 250 V/2 A
B. Mains supply, 1–phase 208...277 V, 50/60 Hz
C. Motor with internal thermal contacts
D. OFF/ON
RTRD
A 3-phase transformer that controls the fan speed by altering the supply voltage in five fixed steps. The steps are adjusted by
using the control knob on the front of the unit.
RTRD2-7
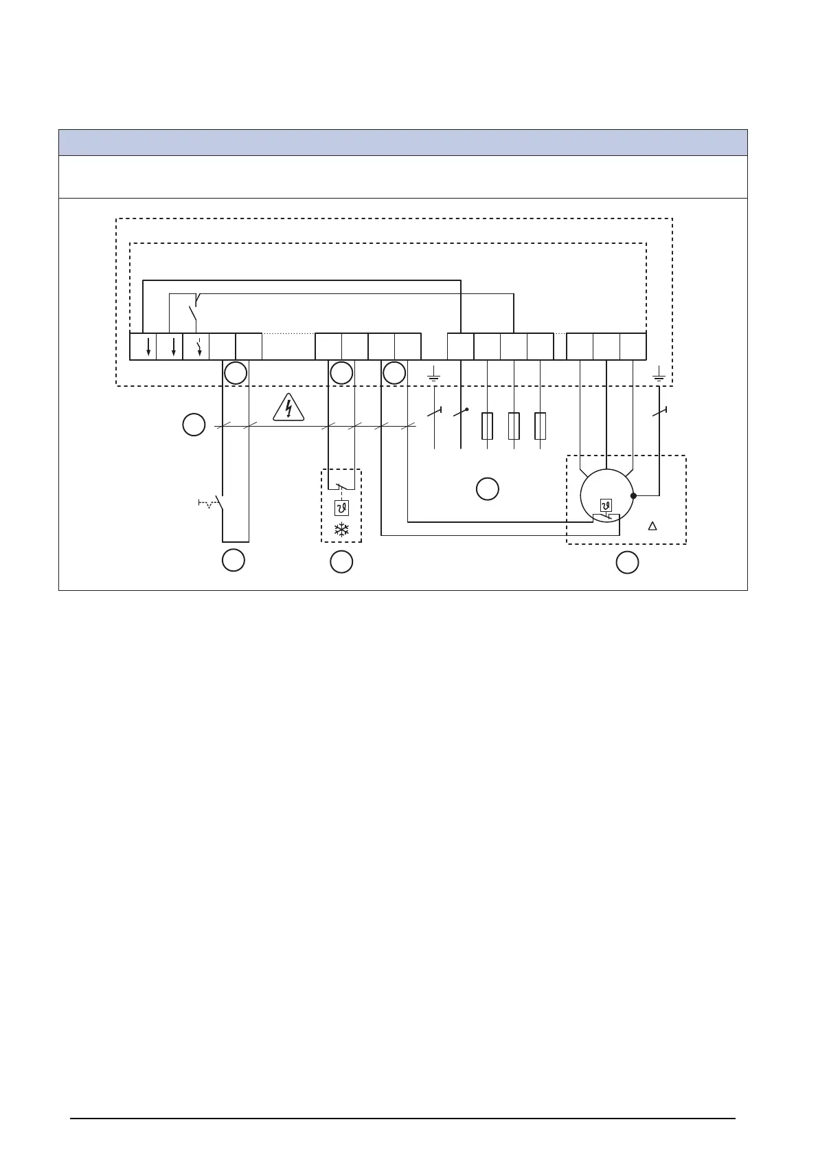
N L1 L2 L3
L3L2L1NPE
U V W
PE
V WU
TB
TB
TK TKRT L
L
N
230 V AC
RT FS FS
Y/
M
3 ~
0 1
A
A A
B
C
D
F
E
A. If the function is not necessary, the terminals must be bridged
B. Contact rating, 230 V AC/maximum 1 A
C. OFF/ON
D. OFF/ON (only by reset)
E. Mains supply, 3–phase 400 V 50/60 Hz
F. 3–phase motor with internal thermal contacts
23

Table of Contents

Other manuals for SystemAir K Series

Related product manuals