EasyManua.ls Logo

t.amp Proline 3000 - Rear Panel Connections

t.amp Proline 3000
32 pages
Print Icon
To Next Page IconTo Next Page
To Next Page IconTo Next Page
To Previous Page IconTo Previous Page
To Previous Page IconTo Previous Page
Loading...
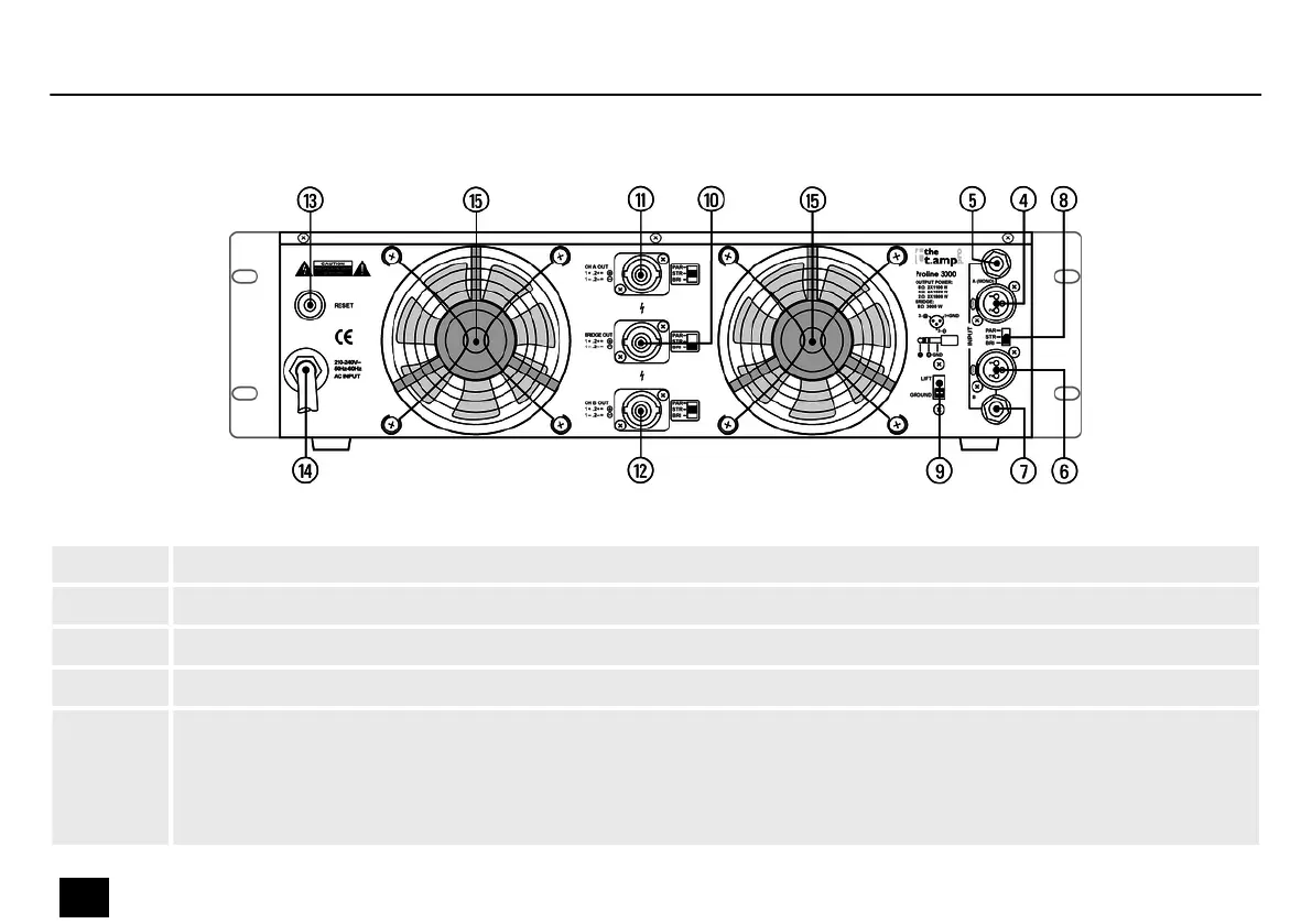
4 XLR mounting socket for the input signal in channel A
5 1/4" phone socket for the input signal in channel A
6 XLR mounting socket for the input signal in channel B
7 1/4" phone socket for the input signal in channel B
8 Selector switch for operating mode
n [PAR]: Parallel mode
n [STR]: Stereo mode
n [BR]: Bridged mode
Rear panel
Connections and controls
18
Proline 3000
Power Amplier

Related product manuals