EasyManua.ls Logo

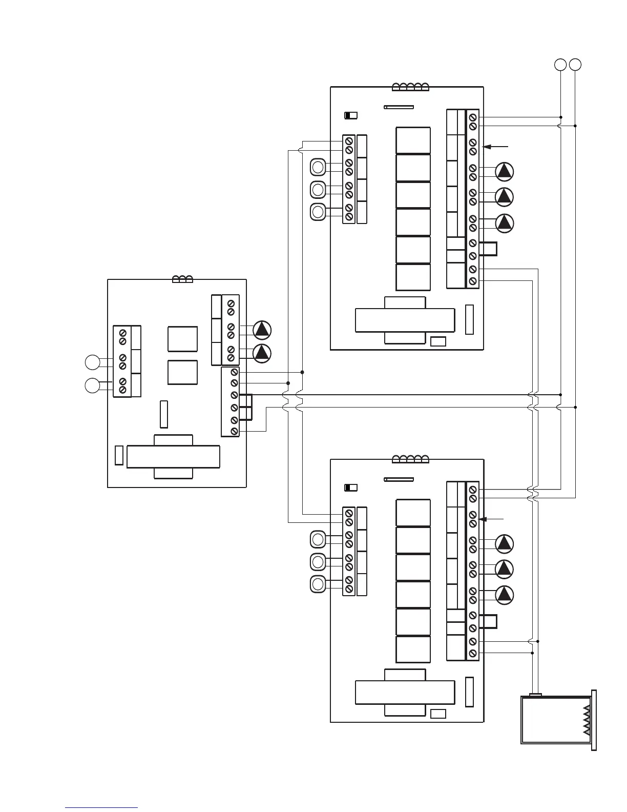
Taco HAFC201 - 2 Indirect Water Heaters Connected to Standard Switching Relays

Default Icon
104 pages
Print Icon
To Next Page IconTo Next Page
To Next Page IconTo Next Page
To Previous Page IconTo Previous Page
To Previous Page IconTo Previous Page
Loading...
ZONE 4
ON
OFF
PRIORITY
120V RELAY
FUSE 1 AMP
24 VAC
POWER
ZONE 1 ZONE 2 ZONE 3 ZONE 4
120 VOLT CIRCULATORS
ZC ZR
X X
END
SWITCH
ZONE1 ZONE2 ZONE3 ZONE4
POWER
INPUT
SR 504
ZONE 2
POWER
ZONE 1
ZONE 3
ZONE 4
TT T
BOILER
ZONE 4
ON
OFF
PRIORITY
120V RELAY
FUSE 1 AMP
24 V AC
POWER
ZONE 1 ZONE 2 ZONE 3 ZONE 4
120 VAC INPUT
TO: "TT" ON BOILER
120 VOLT CIRCULATORS
ZC ZR
X X
END
SWITCH
ZONE1 ZONE2 ZONE3 ZONE4
POWER
INPUT
SR 504
ZONE 2
POWER
ZONE 1
ZONE 3
ZONE 4
TT T
H
N
A
JUMPER
JUMPER
SR 502
ZONE1 ZONE2 ZONE3
24 VAC
POWER
FUSE 1 AMP
ZONE1 ZONE2 ZONE3
JUMPERS
N P ZC H X ZR
1
X
2
ZONE 2
POWER
ZONE 1
TWO ZONE SWITCHING RELAY
WITH OPTIONAL PRIORITY
A
PRIORITY
OFF
FOUR ZONE SWITCHING RELAY
WITH OPTIONAL PRIORITY
FOUR ZONE SWITCHING RELAY
WITH OPTIONAL PRIORITY
ZONE
NOT
USED
ZONE
NOT
USED
MASTER
SLAVE SLAVE
PRIORITY
ON
PRIORITY
ON
AQUASTATS ON
DHW HEATERS
15
2 Indirect Water Heaters with Priority Connected to Standard Switching Relays

Table of Contents

Related product manuals