EasyManua.ls Logo

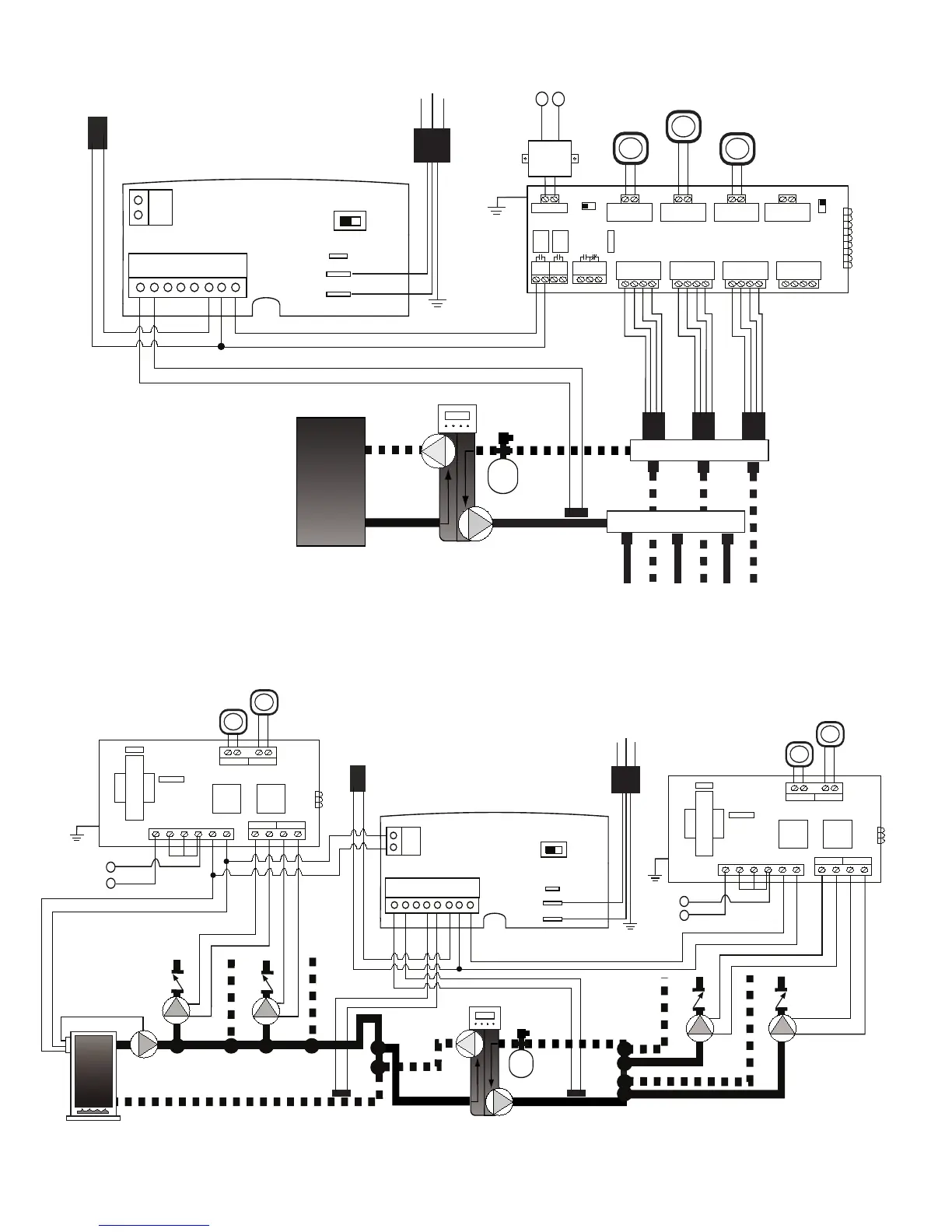
Taco HAFC201 - X - Pump Block Connected to Zone Valve Control; X - Pump Block Connected to 2 SR502;503 Switching Relays

Default Icon
104 pages
Print Icon
To Next Page IconTo Next Page
To Next Page IconTo Next Page
To Previous Page IconTo Previous Page
To Previous Page IconTo Previous Page
Loading...
60
FOUR ZONE ZONE VALVE CONTROL
WITH OPTIONAL PRIORITY
OFF
ON
ZONE 4 PRIORITY
MOD E
RESET
ZVC 404
1234
ZONE 1
1234
ZONE 2
1234
ZONE 3
1234
ZONE 4
ZONE 4 RELAY
N/O N/CCOM
EXTRA
END
SWITCH
MAIN
END
SWITCH
ZONE 1
TT
ZONE 2
TT
ZONE 3
TT
ZONE 4
TT
NORMAL
FUSE
(3 AMP MAX)
POWER IN
H
N
ComSup
Boil
Out Heat
Dem
Com Com
Sys
Ret
Power
Input
Power
Cord
Radiant Manifold - Supply
Radiant Manifold - Return
X - Pump Block Connected to Zone Valve Control
Output to
System
Exp
Tank
Pressure
Relief
Supply
Sensor
XPB
Back of Control
Off-Enable On-Control
Boiler Operation
Pump
Outdoor
Sensor
Boiler
H
N
Factory
Installed
Transformer
HEAT
SOURCE
T
T
T
Input from
Heat Source
H
N
ComSup
Boil
Out Heat
Dem
Com Com
Sys
Ret
Power
Input
NPZCHX
1
ZR
X
2
FUSE 1 AMP
24 VAC
POWER
TWO ZONE SWITCHING RELAY
SR 502
ZONE1 ZONE2
ZONE1 ZONE2
NPZCHX
1
ZR
X
2
FUSE 1 AMP
24 VAC
POWER
TWO ZONE SWITCHING RELAY
SR 502
ZONE1 ZONE2
ZONE1 ZONE2
Power
Cord
Power
Input
Input from
Heat Source
Output to
System
Supply
Sensor
Return
Sensor
Exp
Tank
Pressure
Relief
X - Pump Block Connected to 2 SR502/503 Switching Relays
XPB
Back of Control
Off-Enable On-Control
Boiler Operation
Pump
Outdoor
Sensor
Boiler
H
N
H
N
T
T
T
T
FOR ADDITIONAL WIRING DIAGRAMS, PLEASE SEE www.taco-hvac.com/wiringwizard

Table of Contents

Related product manuals