EasyManua.ls Logo

Taco PC702 - Aquastat Wiring

Default Icon
104 pages
Print Icon
To Next Page IconTo Next Page
To Next Page IconTo Next Page
To Previous Page IconTo Previous Page
To Previous Page IconTo Previous Page
Loading...
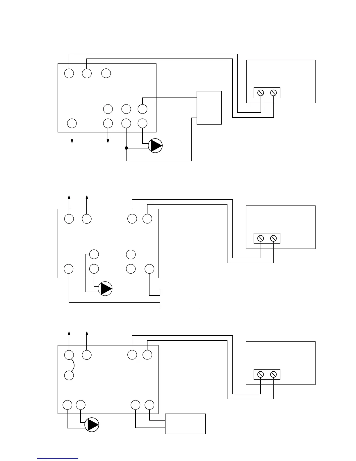
Aquastat Wiring
TV T
Z
L1
(HOT)
CIRCULATOR
ON BOILER
(IF ATTACHED)
B2
C2
B1
C1
TACO
ZONE
CONTROL
HONEYWELL L8124G & L OR EQUAL
120 VAC
INPUT
ZR
END SWITCH
L1
L2
(NEUTRAL)
L2
ZC
LINE
VOLTAGE
OIL BURNER
RELAY OR
GAS VALVE
81
L1 L2
T T
L1
(HOT)
L2
(NEUTRAL)
LINE VOLTAGE
OIL BURNER RELAY
OR GAS VALVE
CIRCULATOR
ON BOILER
(IF ATTACHED)
B2
C1
B1ZR
TACO
ZONE
CONTROL
HONEYWELL L8124M OR EQUAL
120 VAC
INPUT
C2
ZC
END SWITCH
L1 L2
T T
L1
(HOT)
L2
(NEUTRAL)
LINE VOLTAGE
OIL BURNER RELAY
OR GAS VALVE
CIRCULATOR
ON BOILER
(IF ATTACHED)
C1 B2B1
TACO
ZONE
CONTROL
HONEYWELL L8148A OR EQUAL
120 VAC
INPUT
C2
END SWITCH
3

Table of Contents

Related product manuals