EasyManua.ls Logo

Taco SR502 - ZVC404;406 with System and DHW Pumps

Default Icon
104 pages
Print Icon
To Next Page IconTo Next Page
To Next Page IconTo Next Page
To Previous Page IconTo Previous Page
To Previous Page IconTo Previous Page
Loading...
32
24 VAC
ZONE 1 ZONE 2 ZONE 3 ZONE 4 ZONE 5 ZONE 6
MODE
NORMAL RESET
FUSE (7 AMP MAX)
TT
TT TT TT TT TT
ZONE 6 PRIORITY
OFF
ON
ZVC 406
1234 12 34 1234 1234 12 34
ZONE 1 ZONE 2 ZONE 3 ZONE 4 ZONE 5
2 WIRE ZONE VALVE
(NO END SWITCH)
JUMPER
3 & 4
TACO
3 WIRE ZONE VALVE
1
2
3
MOTOR
END
SWITCH
THERMOSTAT
THERMOSTAT
THERMOSTAT
4 WIRE ZONE VALVE
(POWER OPEN, SELF CLOSING)
T STAT 1
VALVE 1
T STAT 2
VALVE 2
T STAT 3
VALVE 3
T STAT 4
VALVE 4
T STAT 5
VALVE 5
T STAT 6
VALVE 6
POWER
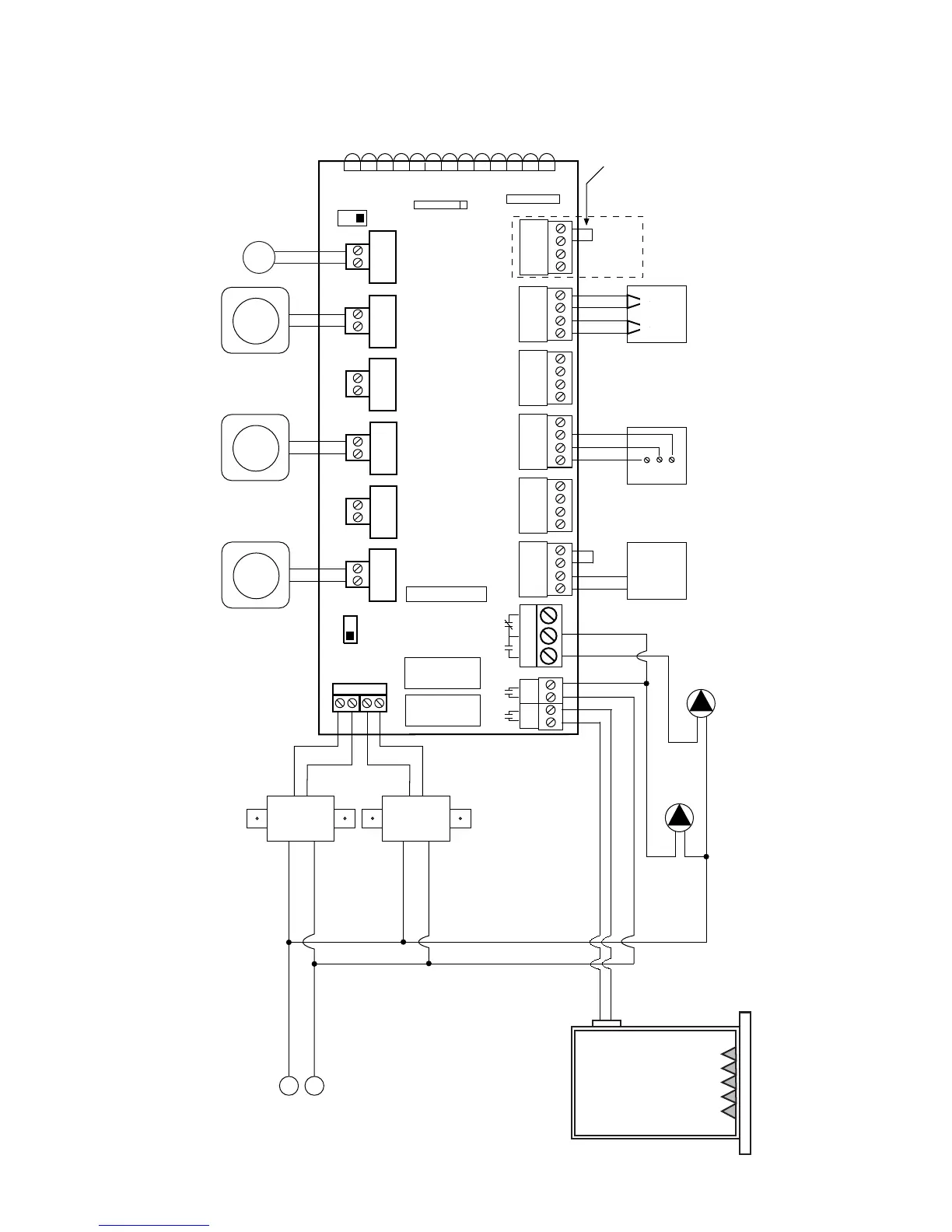
SIX ZONE ZONE VALVE CONTROL
WITH OPTIONAL PRIORITY
24 VAC
FACTORY
INSTALLED
TRANSFORMER
120 VAC
INPUT
WHITE
BLACK
POWER IN
24 VAC
FACTORY
INSTALLED
TRANSFORMER
120 VAC
INPUT
WHITE
BLACK
N/O COM
ZONE 6 RELAY
END
SWITCH
EXTRA
END
SWITCH
MAIN
N/C
1234
ZONE 6
PRIORITY
ZONE
JUMPER
3 & 4
SEE NOTE
TO BOILER AQUASTAT RELAY
BOILER
H
N
DHW
PUMP
Note: When a circulator is used on the
priority zone instead of a zone valve,
jumper 3 and 4 of the priority zone.
A
AQUASTAT ON
DHW HEATER
SYSTEM PUMP AND BOILER TURN ON WHEN ANY ZONE VALVE OPENS.
DHW PUMP TURNS ON ONLY WHEN PRIORITY ZONE CALLS.
SYSTEM
PUMP
TTT
ZVC404/406 with System and DHW Pumps

Table of Contents

Related product manuals