EasyManua.ls Logo

Taco SR502 - Wiring for Boilers with Honeywell Aquastat Model L8148 E or Equivalent; Wiring for Boilers with Honeywell Aquastat Model L8124 E or Equivalent

Default Icon
104 pages
Print Icon
To Next Page IconTo Next Page
To Next Page IconTo Next Page
To Previous Page IconTo Previous Page
To Previous Page IconTo Previous Page
Loading...
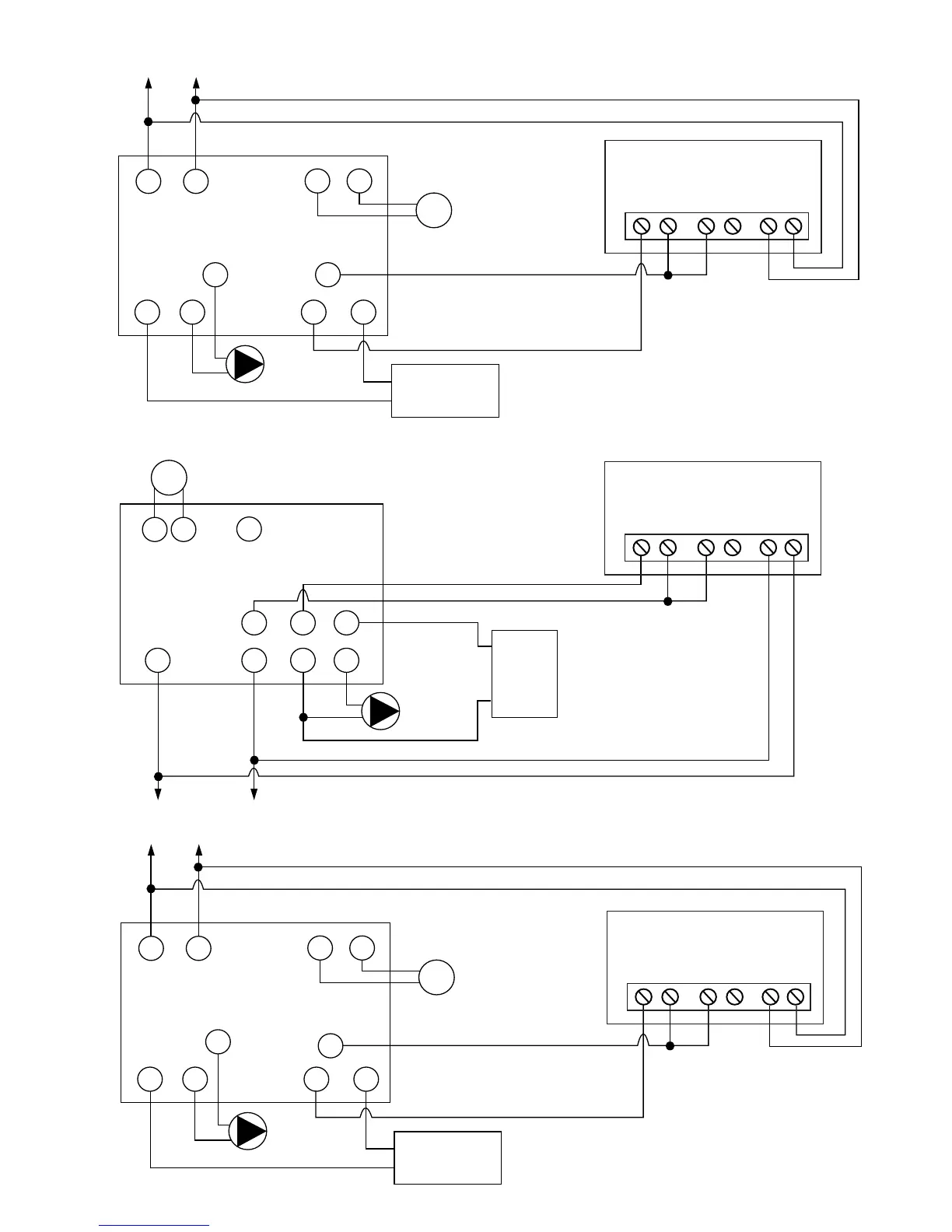
Aquastat Wiring
L1 L2
T T
L1
(HOT)
L2
(NEUTRAL)
LINE VOLTAGE
OIL BURNER RELAY
OR GAS VALVE
CIRCULATOR
ON BOILER
(IF ATTACHED)
B2 C2 B1ZR
TACO
SWITCHING
RELAY
HONEYWELL L8124A & C OR EQUAL
120 VAC
INPUT
C1 ZC
ZC ZR N H
T
THERMOSTAT
(IF INDEPENDENT ZONE)
XX
END SWITCH
83
TV T
Z
L1
(HOT)
CIRCULATOR
ON BOILER
(IF ATTACHED)
B2
C2
B1
C1
HONEYWELL L8124G & L OR EQUAL
120 VAC
INPUT
ZR
L1
L2
(NEUTRAL)
L2
ZC
LINE
VOLTAGE
OIL BURNER
RELAY OR
GAS VALVE
T
THERMOSTAT
(IF INDEPENDENT ZONE)
TACO
SWITCHING
RELAY
ZC ZR N HXX
END SWITCH
L1 L2
T T
L1
(HOT)
L2
(NEUTRAL)
LINE VOLTAGE
OIL BURNER RELAY
OR GAS VALVE
CIRCULATOR
ON BOILER
(IF ATTACHED)
B2 C2 B1ZR
HONEYWELL L8124M OR EQUAL
120 VAC
INPUT
C1
ZC
T
THERMOSTAT
(IF INDEPENDENT ZONE)
TACO
SWITCHING
RELAY
ZC ZR N HXX
END SWITCH

Table of Contents

Related product manuals