EasyManua.ls Logo

Taco SR506-EXP - SR501-EXP;PC700 Boiler Reset Control Connected to a Switching Relay; Connecting a DHW Heater to an Existing Heating Only Switching Relay; Thermostat

Default Icon
104 pages
Print Icon
To Next Page IconTo Next Page
To Next Page IconTo Next Page
To Previous Page IconTo Previous Page
To Previous Page IconTo Previous Page
Loading...
FOUR ZONE SWITCHING RELAY
WITH OPTIONAL PRIORITY
ZONE 4
ON
OFF
PRIORITY
120V RELAY
120 VOLT CIRCULATORS
ZC ZR
X X
END
SWITCH
POWER
INPUT
120 VAC
INPUT
ZONE1
ZONE2
ZONE3
ZONE4
ZONE1
ZONE2
ZONE3
ZONE4
FUSE 1 AMP
24 VAC
POWER
SR 504
ZONE 2
POWER
ZONE 1
ZONE 3
ZONE 4
THERMOSTATS
BOILER
H
N
MASTER
EXISTING
ZONE
CONTROL
T
PRIMARY
SYSTEM
CIRCULATOR
(Optional)
POWER
T STAT
TO: "TT" ON BOILER
AQUASTAT ON
DHW HEATER
NZCZRHHH
POWER
INPUT
120VAC
INPUT
120VAC
OUTPUT
CIRC
OUTPUT
PRIORITY
OUTPUT
END
SWITCH
RESET
OVERRIDE
THERMOSTATEXPANSION
X
COM
T/WT/R
X1 12243
JUMPER
SR 501-EXP
A
RESET
POWER
CONTROLS
FUSE
1 AMP
NORMAL
MASTER
SLAVE
MODE
FUSE
5 AMP
JUMPER
DHW
HEATER
CIRCULATOR
Note: If Zone Control comes on without a call for heat,
reverse Reset Override input (1 & 2) wires on SR501-EXP.
ZONE
CONTROL
BOIL
SEN
OUT
SEN
BOILER SENSOR
OUTDOOR
SENSOR
PC700
K1-A
K1-B K2-A K2-A
K1 K2
18
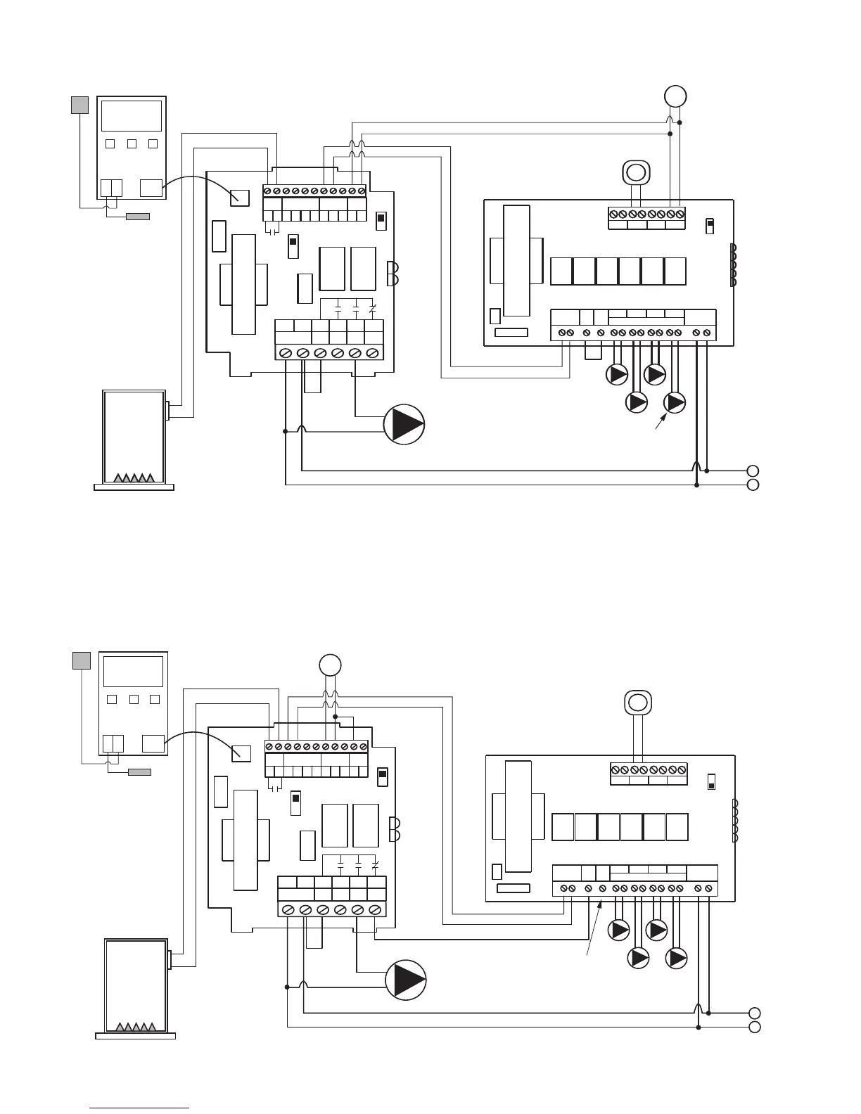
SR501-EXP and PC700 Boiler Reset Control Connected to an Existing Switching Relay
FOUR ZONE SWITCHING RELAY
WITH OPTIONAL PRIORITY
ZONE 4
ON
OFF
PRIORITY
120V RELAY
120 VOLT CIRCULATORS
ZC ZR
X X
END
SWITCH
POWER
INPUT
120 VAC
INPUT
ZONE1
ZONE2
ZONE3
ZONE4
ZONE1
ZONE2
ZONE3
ZONE4
FUSE 1 AMP
24 VAC
POWER
SR 504
ZONE 2
POWER
ZONE 1
ZONE 3
ZONE 4
THERMOSTATS
BOILER
H
N
MASTER
EXISTING
ZONE
CONTROL
T
POWER
T STAT
TO: "TT" ON BOILER
AQUASTAT ON
DHW HEATER
END
SWITCH
RESET
OVERRIDE
THERMOSTATEXPANSION
X
COM
T/WT/R
X1 12243
JUMPER
A
RESET
POWER
CONTROLS
FUSE
1 AMP
NORMAL
MODE
REMOVE
JUMPER
DHW
HEATER
CIRCULATOR
ZONE
CONTROL
BOIL
SEN
OUT
SEN
BOILER SENSOR
OUTDOOR
SENSOR
PC700
SLAVE
NZCZRHHH
POWER
INPUT
120VAC
INPUT
120VAC
OUTPUT
CIRC
OUTPUT
PRIORITY
OUTPUT
SR 501-EXP
MASTER
SLAVE
FUSE
5 AMP
K1-A
K1-B K2-A K2-A
K1 K2
Connecting a DHW Heater to an Existing Heating Only Switching Relay
Using an SR501-EXP and PC700 Boiler Reset Control

Table of Contents

Related product manuals