EasyManua.ls Logo

Taco SR506-EXP - 3 Wire Thermostat Connected to TACO Switching Relay; 3 Wire Thermostat Connected to TACO Zone Valve Control

Default Icon
104 pages
Print Icon
To Next Page IconTo Next Page
To Next Page IconTo Next Page
To Previous Page IconTo Previous Page
To Previous Page IconTo Previous Page
Loading...
52
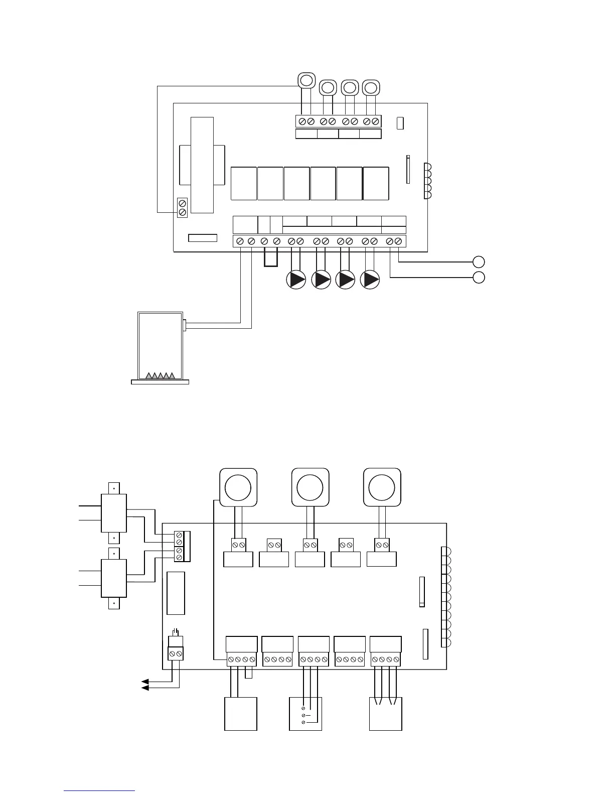
3 Wire Thermostat Connected to TACO Switching Relay
BOILER
H
N
T
T
T
FOUR ZONE SWITCHING RELAY
WITH OPTIONAL PRIORITY
ZONE 4
ON
OFF
PRIORITY
120V RELAY
FUSE 1 AMP
24 VAC
POWER
ZONE 1 ZONE 2 ZONE 3 ZONE 4
120 VAC INPUT
TO: "TT" ON BOILER
120 VOLT CIRCULATORS
ZC ZR
X X
END
SWITCH
ZONE1 ZONE2 ZONE3 ZONE4
POWER
INPUT
SR 504
ZONE 2
POWER
ZONE 1
ZONE 3
ZONE 4
JUMPER
T
WR
COM
3 WIRE
THERMOSTAT
3 Wire Thermostat Connected to TACO Zone Valve Control
ZONE 1 ZONE 2 ZONE 3 ZONE 4 ZONE 5
TT
TT TT TT TT
ZVC 405
1234 12 34 1234 1234 1234
ZONE 1 ZONE 2 ZONE 3 ZONE 4 ZONE 5
2 WIRE ZONE VALVE
(NO END SWITCH)
JUMPER
3 & 4
3 WIRE ZONE VALVE
(TACO TYPE)
1
2
3
MOTOR
END
SWITCH
THERMOSTAT
THERMOSTAT
THERMOSTAT
4 WIRE ZONE VALVE
(HONEYWELL TYPE)
T STAT 1
VALVE 1
T STAT 2
VALVE 2
T STAT 3
VALVE 3
T STAT 4
VALVE 4
T STAT 5
VALVE 5
POWER
FIVE ZONE ZONE VALVE CONTROL
24 VAC
FACTORY
INSTALLED
TRANSFORMER
120 VAC
INPUT
WHITE
BLACK
END
SWITCH
T
T
TO T&T ON BOILER
OR PUMP RELAY
POWER IN
24 VAC
FACTORY
INSTALLED
TRANSFORMER
120 VAC
INPUT
WHITE
BLACK
BLACK
RED
BLACK
RED
WH
RED
COMMON
WR
C
TTT

Table of Contents

Related product manuals