EasyManua.ls Logo

Taco SR506-EXP - HAFC201 with 2 Speed Air Handler

Default Icon
104 pages
Print Icon
To Next Page IconTo Next Page
To Next Page IconTo Next Page
To Previous Page IconTo Previous Page
To Previous Page IconTo Previous Page
Loading...
50
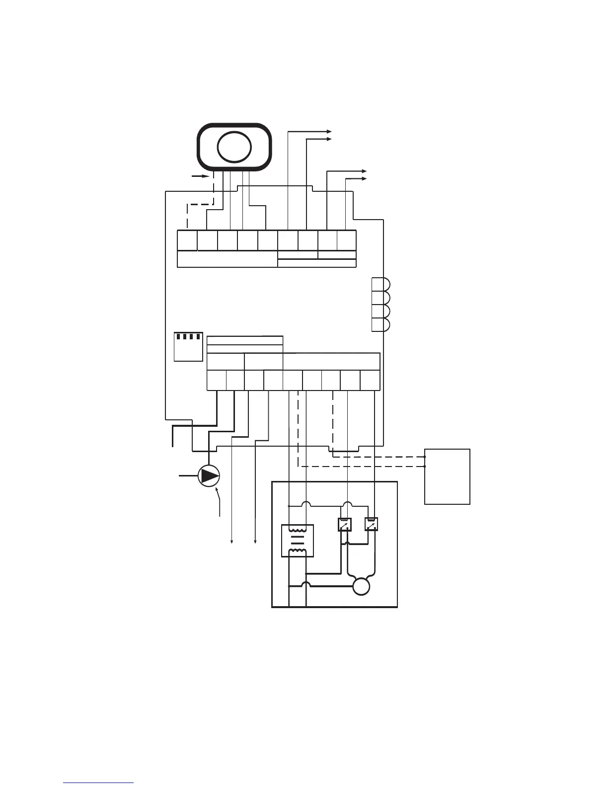
HAFC201 with 2 Speed Air Handler
THERMOSTAT
Optional Power Wire
to Thermostat
that Requires 24VAC
To: Optional
Aquastat on
Return Line of
Hydro Coil
Power On
Call for Heat
Fan, Cooling
Fan, Heating
Outdoor
Condenser
Unit
TT
BOILER AIR HANDLER
G
G
XXCR
Y
C
RGYW
THERMOSTAT
AQUASTATS
HAFC201
HYDRO AIR FAN CONTROL
TT
WATER COIL
FREEZE PR
To: Optional Aquastat
or Thermostat to sense
low ambient
temperature
Hot
Neutral
Circulator
X
X
PUMP
5 AMP 1/6 HP RATED
DRY CONTACTS
1 MIN ON DELAY - FAN
3 MIN ON DELAY - FAN
2 MIN @ 24 HR - PUMP
30 SEC @ 2 WK - PUMP
OFF ON
(or to “T T” on
switching relay)
HAFC 201 WITH 2 SPEED AIR HANDLER
(Both HFC 101 and HAFC 201 are
capable of 1 and 2 speed applications.)
“T T” on Boiler
or Switching
Relay
M
Low
High
Line
24 VAC
Fan
Relays
LOW
HIGH
T
NOTE: For 4 minute
on delay of Heating Fan,
switch 1 and 3 MIN ON
DELAY to ON position.

Table of Contents

Related product manuals