EasyManua.ls Logo

Taco SR506 - Page 12

Default Icon
104 pages
Print Icon
To Next Page IconTo Next Page
To Next Page IconTo Next Page
To Previous Page IconTo Previous Page
To Previous Page IconTo Previous Page
Loading...
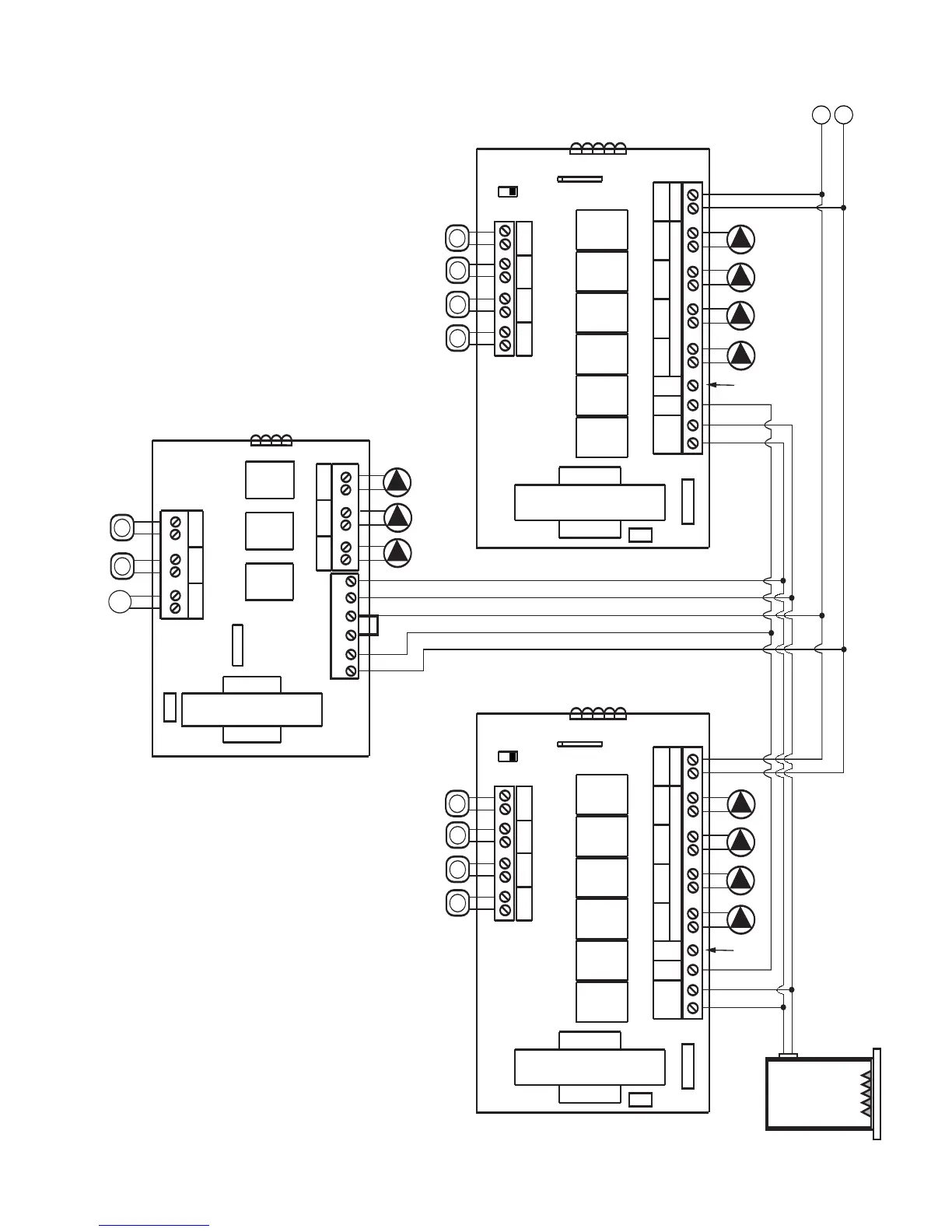
SR502/503 Switching Relay Controlling 2 SR504/506 Switching Relays
ZONE 4
ON
OFF
PRIORITY
120V RELAY
FUSE 1 AMP
ZONE 1 ZONE 2 ZONE 3 ZONE 4
120 VOLT CIRCULATORS
ZC ZR
X X
END
SWITCH
ZONE1 ZONE2 ZONE3 ZONE4
POWER
INPUT
SR 504
ZONE 2
POWER
ZONE 1
ZONE 3
ZONE 4
TT T
BOILER
ZONE 4
ON
OFF
PRIORITY
120V RELAY
FUSE 1 AMP
24 VAC
POWER
ZONE 1 ZONE 2 ZONE 3 ZONE 4
120 VAC INPUT
TO: "TT" ON BOILER
120 VOLT CIRCULATORS
ZC ZR
X X
END
SWITCH
ZONE1 ZONE2 ZONE3 ZONE4
POWER
INPUT
SR 504
ZONE 2
POWER
ZONE 1
ZONE 3
ZONE 4
TT T
H
N
A
SR 503
ZONE1 ZONE2 ZONE3
24 VAC
POWER
FUSE 1 AMP
ZONE1 ZONE2 ZONE3
JUMPER
N P ZC H X ZR
1
X
2
ZONE 2
POWER
ZONE 1
TWO ZONE SWITCHING RELAY
WITH OPTIONAL PRIORITY
PRIORITY
ON
FOUR ZONE SWITCHING RELAY
WITH OPTIONAL PRIORITY
FOUR ZONE SWITCHING RELAY
WITH OPTIONAL PRIORITY
MASTER
SLAVE
SLAVE
PRIORITY
OFF
PRIORITY
OFF
T T
T
T
24 VAC
POWER
ZONE 3
REMOVE
JUMPER
REMOVE
JUMPER
AQUASTAT ON
DHW HEATER
10

Table of Contents

Related product manuals