EasyManua.ls Logo

Taco SR506 - Pump Injection Control Connected to 2 EXP Zone Valve Controls

Default Icon
104 pages
Print Icon
To Next Page IconTo Next Page
To Next Page IconTo Next Page
To Previous Page IconTo Previous Page
To Previous Page IconTo Previous Page
Loading...
44
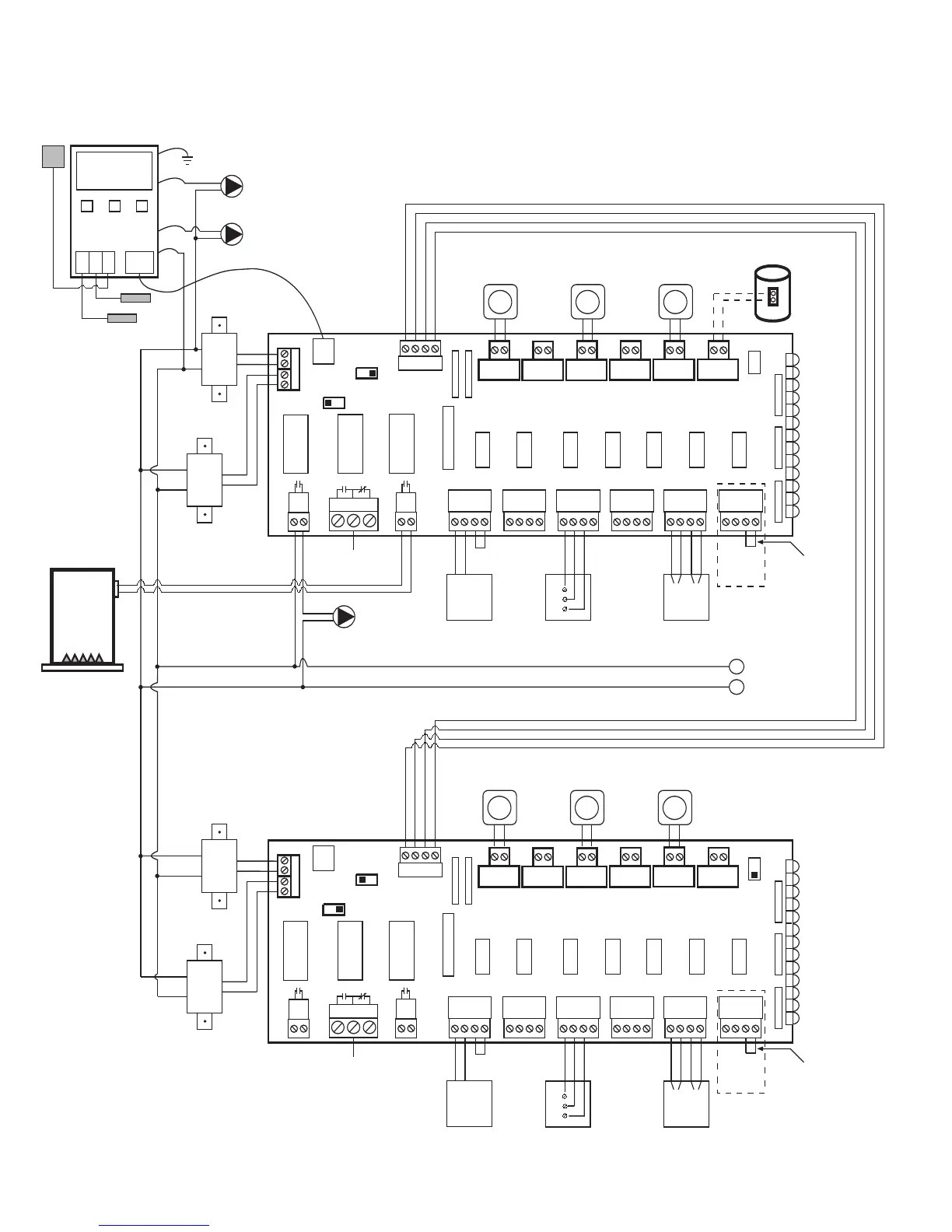
PC705 Variable Speed Pump Injection Control Connected To 2 EXP Zone Valve Controls
ZONE 1 ZONE 2 ZONE 3 ZONE 4 ZONE 5 ZONE 6
FUSE 7 AMP MAX
TT
TT TT TT TT TT
ZONE 6
OFF
ON
1234
ZONE 1
1234
ZONE 2
1234
ZONE 3
1234
ZONE 4
1234
ZONE 5
1234
ZONE 6
MODE
NORMALRESET
PRIORITY
ZONE
2 WIRE ZONE VALVE
(NO END SWITCH)
TACO
3 WIRE ZONE VALVE
1
2
3
JUMPER
3 & 4
MOTOR END
SWITCH
4 WIRE ZONE VALVE
(POWER OPEN, SELF CLOSING)
JUMPER
3 & 4
1234
MASTER
SLAVE
POWER
CONTROLS
PLUG-IN
CARDS
PRIORITY
TACO, INC ZVC406-EXP
T STAT 1
T STAT 2
T STAT 3
T STAT 4
T STAT 5
T STAT 6
POWER ON
VALVE 1
VALVE 2
VALVE 3
VALVE 4
VALVE 5
VALVE 6
SEE NOTE
EXPANSION
ZVC 406-EXP
SIX ZONE ZONE VALVE CONTROL
WITH OPTIONAL PRIORITY
POWER IN
24 VAC
FACTORY
INSTALLED
TRANSFORMER
WHITE
BLACK
TO BOILER
AQUASTAT RELAY
DRY
CONTACTS
N/O COM
ZONE 6 RELAY
N/C
END
SWITCH
A
PUMP
END
SWITCH
B
BOILER
H
N
BOILER
Note: When a circulator is used on the
priority zone instead of a zone valve,
jumper 3 and 4 of the priority zone.
24 VAC
FACTORY
INSTALLED
TRANSFORMER
120 VAC
INPUT
WHITE
BLACK
ZONE
CONTROL
BOIL
SEN
OUT
SEN
BOILER SENSOR
OUTDOOR
SENSOR
PC705-2
SUP
SEN
SUPPLY SENSOR
INJECTION
CIRCULATOR
SYSTEM
CIRCULATOR
BLACK
BLUE
RED
GREEN/GROUND
ZONE 1 ZONE 2 ZONE 3 ZONE 4 ZONE 5 ZONE 6
FUSE 7 AMP MAX
TT
TT TT TT TT TT
ZONE 6
OFF
ON
1234
ZONE 1
1234
ZONE 2
1234
ZONE 3
1234
ZONE 4
1234
ZONE 5
1234
ZONE 6
MODE
NORMALRESET
PRIORITY
ZONE
2 WIRE ZONE VALVE
(NO END SWITCH)
TACO
3 WIRE ZONE VALVE
1
2
3
JUMPER
3 & 4
MOTOR END
SWITCH
4 WIRE ZONE VALVE
(POWER OPEN, SELF CLOSING)
JUMPER
3 & 4
1234
MASTER
SLAVE
POWER
CONTROLS
PLUG-IN
CARDS
PRIORITY
TACO, INC ZVC406-EXP
T STAT 1
T STAT 2
T STAT 3
T STAT 4
T STAT 5
T STAT 6
POWER ON
VALVE 1
VALVE 2
VALVE 3
VALVE 4
VALVE 5
VALVE 6
SEE NOTE
EXPANSION
ZVC 406-EXP
SIX ZONE ZONE VALVE CONTROL
WITH OPTIONAL PRIORITY
POWER IN
24 VAC
FACTORY
INSTALLED
TRANSFORMER
WHITE
BLACK
DRY
CONTACTS
N/O COM
ZONE 6 RELAY
N/C
END
SWITCH
A
PUMP
END
SWITCH
B
BOILER
24 VAC
FACTORY
INSTALLED
TRANSFORMER
120 VAC
INPUT
WHITE
BLACK
SWITCH SETTINGS
Master/Slave: Master
Reset/Normal: Reset
Priority Zone: On or Off
SWITCH SETTINGS
Master/Slave: Slave
Reset/Normal: Normal
Priority Zone: Off
SYSTEM CIRCULATOR
(OPTIONAL LOCATION)
MASTER
SLAVE
INDIRECT WATER HEATER
AQUASTAT OR THERMOSTAT
24 VAC
TTT
24 VAC
TTT
(SEE NOTE B ON PAGE 23)

Table of Contents

Related product manuals