EasyManua.ls Logo

Taco SR506 - PC705 Pump Injection Control Connected to EXP Switching Relay

Default Icon
104 pages
Print Icon
To Next Page IconTo Next Page
To Next Page IconTo Next Page
To Previous Page IconTo Previous Page
To Previous Page IconTo Previous Page
Loading...
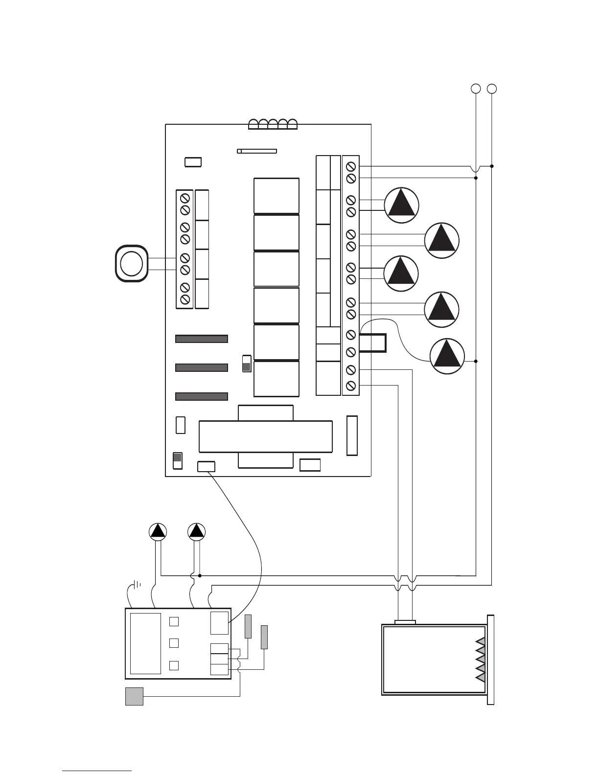
FOUR ZONE SWITCHING RELAY
WITH OPTIONAL PRIORITY
ZONE 4
ON
OFF
PRIORITY
120V RELAY
FUSE 1 AMP
24 VAC
POWER
MASTER
1234
PLUG-IN CARDS
RESET NORMAL
SLAVE
THERMOSTATS
ZONE 1 ZONE 2 ZONE 3 ZONE 4
120 VAC INPUT
TO: "TT" ON BOILER
120 VOLT CIRCULATORS
ZC ZR
X X
END
SWITCH
ZONE1 ZONE2 ZONE3 ZONE4
POWER
INPUT
ZONE 2
POWER
ZONE 1
ZONE 3
ZONE 4
JUMPER
H
N
BOILER
SWITCH SETTINGS
Master/Slave: Master
Reset/Normal: Reset
Priority Zone: On or Off
ZONE
CONTROL
BOIL
SEN
OUT
SEN
BOILER SENSOR
OUTDOOR
SENSOR
PC705-2
SUP
SEN
SUPPLY SENSOR
INJECTION
CIRCULATOR
SYSTEM
CIRCULATOR
AND/OR BOILER
BLACK
BLUE
RED
GREEN/GROUND
SR 504-EXP
(SEE NOTE B)
NOTE A: WHEN SYSTEM CIRCULATOR IS CONNECTED TO ZR TERMINAL ON SWITCHING RELAY, THE MODE SWITCH MUST BE SET TO NORMAL.
THE PC705-2 WILL NOT RESET THE BOILER WHEN IN THE NORMAL MODE.
NOTE B: WHEN SYSTEM CIRCULATOR IS CONNECTED TO RED WIRE ON PC705-2, THE CIRCULATOR WILL OPERATE ONLY WHEN THERMOSTAT CALLS FOR HEAT
AND THE OUTDOOR TEMPERATURE IS BELOW THE WARM WEATHER SHUT DOWN (WWSD) TEMPERATURE. THE WWSD CAN BE ADJUSTED OR TURNED
OFF SO THAT THE CIRCULATOR IS NOT AFFECTED BY OUTDOOR TEMPERATURE.
SYSTEM
CIRCULATOR
AND/OR BOILER
(SEE NOTE A)
T
23
PC705 Variable Speed Pump Injection Control Connected to EXP Switching Relay

Table of Contents

Related product manuals