EasyManua.ls Logo

Taco SR506 - Instruction Sheet: ZVC404-EXP & ZVC406-EXP Zone Valve Control

Default Icon
104 pages
Print Icon
To Next Page IconTo Next Page
To Next Page IconTo Next Page
To Previous Page IconTo Previous Page
To Previous Page IconTo Previous Page
Loading...
93
24 VAC
ZONE 1 ZONE 2 ZONE 3 ZONE 4 ZONE 5
FUSE (5 AMP MAX)
TT
TT TT TT TT
ZVC 405
1234 12 34 12 34 1234 1234
ZONE 1 ZONE 2 ZONE 3 ZONE 4 ZONE 5
2 WIRE ZONE VALVE
(NO END SWITCH)
JUMPER
3 & 4
TACO
3 WIRE ZONE VALVE
1
2
3
MOTOR
END
SWITCH
THERMOSTAT
THERMOSTAT
THERMOSTAT
4 WIRE ZONE VALVE
(POWER OPEN, SELF CLOSING)
T STAT 1
VALVE 1
T STAT 2
VALVE 2
T STAT 3
VALVE 3
T STAT 4
VALVE 4
T STAT 5
VALVE 5
POWER
FIVE ZONE ZONE VALVE CONTROL
24 VAC
FACTORY
INSTALLED
TRANSFORMER
120 VAC
INPUT
WHITE
BLACK
END
SWITCH
N/O COM N/C
T
T
TO CIRCULATOR
OR BOILER
AQUASTAT RELAY
DRY
CONTACTS
POWER IN
24 VAC
FACTORY
INSTALLED
TRANSFORMER
120 VAC
INPUT
WHITE
BLACK
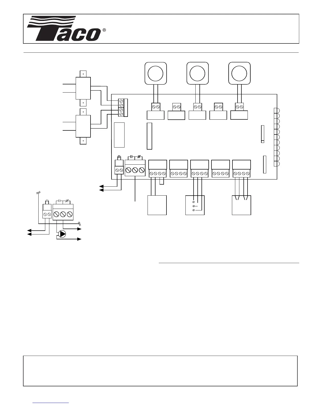
Operation/External Diagnostics: When any thermostat
calls for heat, the appropriate zone valve is energized and
the yellow light goes on. When the zone valve is fully
open, the red light goes on and energizes the end switch
relay. The green light should always be on, indicating that
power is connected.
The Taco Connection: Combine the reliability of the Taco
Zone Valves, Priority Zoning Circulators, Thermostats, and
the “00” family of circulators with the advanced features of
the Taco Zone Controls to achieve total system integra-
tion. No matter the application, Taco now provides the
products to maximize system performance while simplify-
ing both installation and service.
Warning: Wiring connections must be made in accordance with all applicable
electrical codes. Use copper wire only. Failure to follow this instruction can result
in personal injury or death and/or property damage. 10-18 gauge wire recom-
mended for 120 VAC connections with 9 in.lbs. max torque, 12-22 gauge wire for
thermostat connections with 9 in.lbs. max torque, and 12-22 gauge wire for 24
VAC source with 5 in.lbs. max torque.
Wiring
Diagram
Specifications:
PRODUCT NUMBER TRANSFORMER MAX OUTPUT DIMENSIONS OF ENCLOSURE
NUMBER OF ZONES VOLTAGE AT 24 VAC WIDTH HEIGHT DEPTH
ZVC403 3 Zone 120 VAC Input 40 VA 10
1
4
" 6
3
4
" 2
3
4
"
ZVC405 5 Zone 120 VAC Input 80 VA 11
3
4
" 7
1
2
" 3"
All Zone Valve Controls are relay type DPDT and have a single phase motor rating per zone of
1
6
hp (5A) @ 120 VAC.
Instruction Sheet
ZVC403 & ZVC405 Zone Valve Control
Features: External Indicator
Lights
Simplified Wiring
Works with 2, 3, or 4-
Wire Zone Valves
Compact Design
Fuse Protected
100% Factory Tested
Isolated End Switch
Extra Set of Dry Contacts
Contractor Friendly PC
Board Layout
Universal Thermostat
Compatibility
UL Approved
Sturdy Screw Connections
Extended 3 Year Warranty
Made in the USA
Do it Once. Do it Right.
TACO, INC., 1160 Cranston Street, Cranston, RI 02920 Telephone: (401) 942-8000 FAX: (401) 942-2360.
TACO (Canada), Ltd., 6180 Ordan Drive, Mississauga, Ontario L5T 2B3. Telephone: 905/564-9422. FAX: 905/564-9436.
Visit our web site at: http://www.taco-hvac.com
Printed in USA
Copyright 2000
TACO, Inc.
END
SWITCH
N/O COM N/C
T
T
BOILER
HOT
NEUTRAL
120 VAC
Installation of
Optional System
Circulator

Table of Contents

Related product manuals