EasyManua.ls Logo

Tait T858 - 5 DC Line Keying

Tait T858
370 pages
To Next Page IconTo Next Page
To Next Page IconTo Next Page
To Previous Page IconTo Previous Page
To Previous Page IconTo Previous Page
Loading...
M850-00
DC Line Keying
G5.1
Copyright TEL 31/09/98
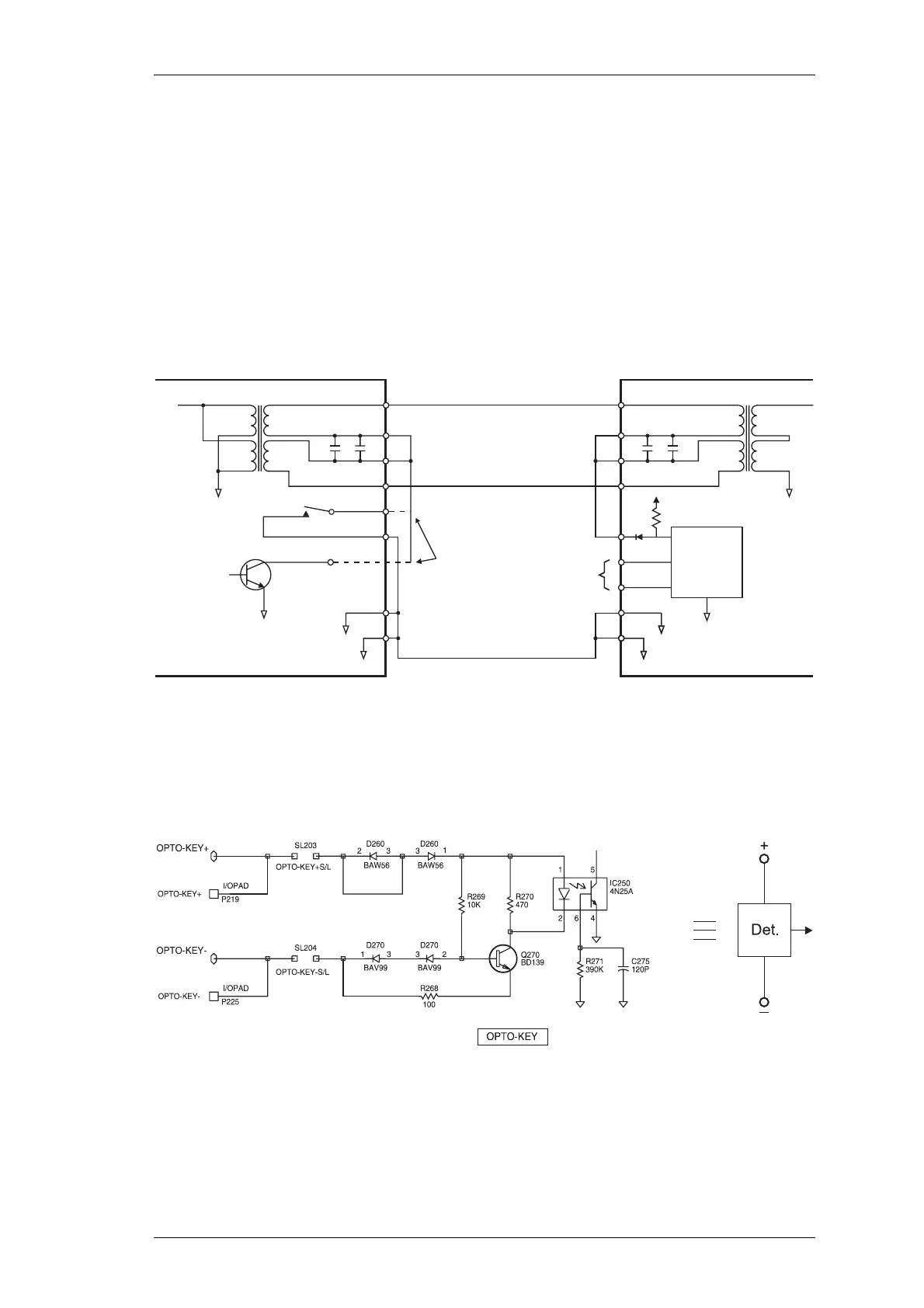
5 DC Line Keying
Where the transmitter and receiver are separated by only a short distance and DC isola-
tion is not required, DC loop keying may be employed.
A small DC current (usually less than 10mA) can be fed via the balanced 2-wire line to
provide remote control of various functions.
In a duplex system the receiver mute is used to key a transmitter, provided there is a
common earth between the two units (refer to Figure 5.1).
Figure 5.1 DC Loop Keying With Common Earth
Where the receiver and transmitter (or remote control) are distant, DC loop keying is
provided by an isolated supply, driver and detector because an earth cannot be relied on
(refer to Figure 5.2, Figure 5.3 & Figure 5.4).
Figure 5.2 Isolated Constant Current Loop Current Detector
(Opto-key input on T856 & T857)
Pin 14
Pin 12
Pin 1 (PL100)
Pin 3
Tx Key Pin 13
Pin 1
Pin 2
Pin 3
Pin 4
Pin 12
Pin 11
Pin 15
Pin 14
C266
8
4
3
5
6
2
7
1
Audio
Out
T210
C268
RL210
Pin 13
C202
1
5
6
4
3
7
2
8
T210
C201
Pin 4 (PL100)
Audio
Processor
Keying Logic
Pin 15
Earth
Pin 2
+
-
Opto Key
+9V
R657
D620
Optional:
Relay contact or
Q270 collector
can be used.
Receiver Transmitter
Short Line
Q270

Table of Contents

Related product manuals