EasyManua.ls Logo

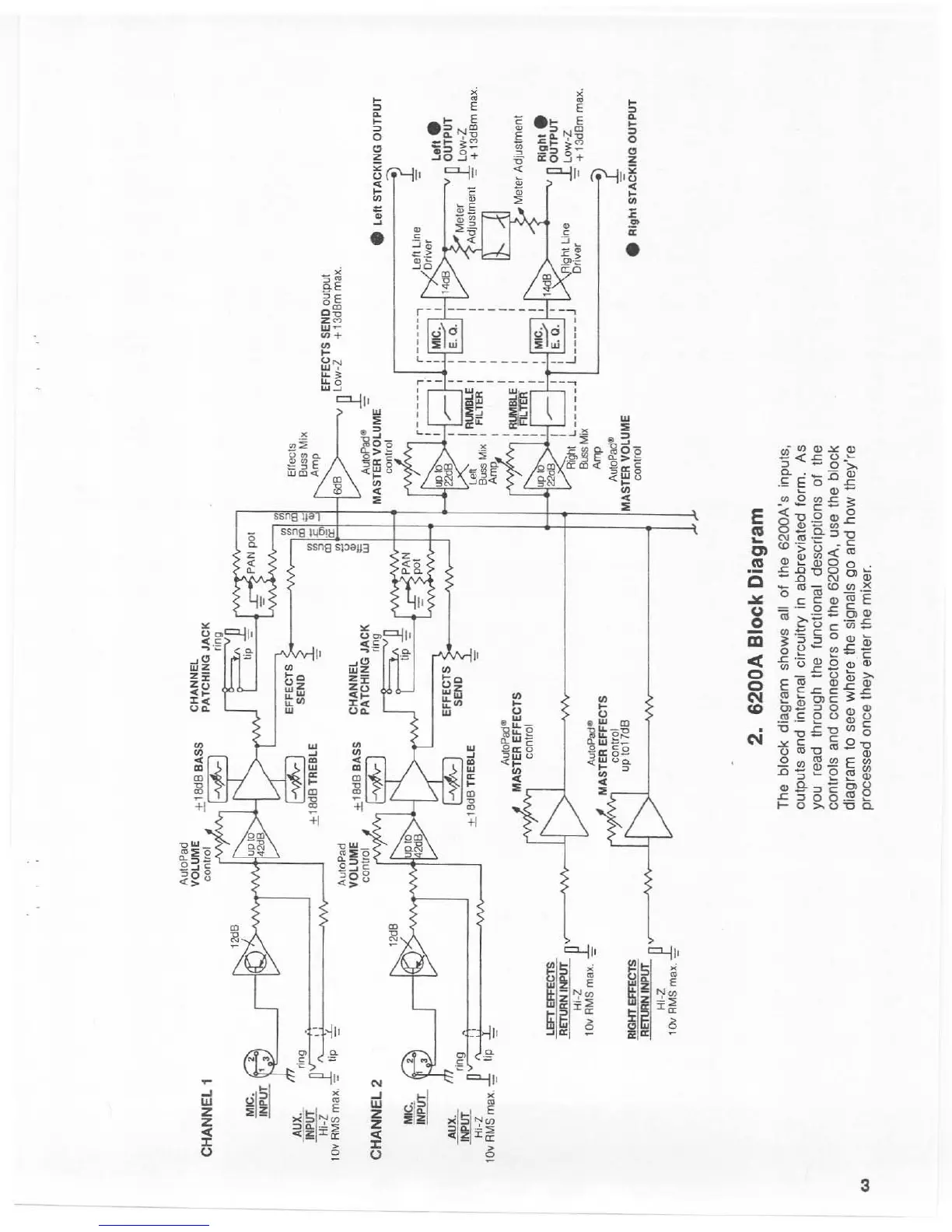
Tapco 6200A - Block Diagram

Tapco 6200A
13 pages
Print Icon
To Next Page IconTo Next Page
To Next Page IconTo Next Page
To Previous Page IconTo Previous Page
To Previous Page IconTo Previous Page
Loading...

Related product manuals