EasyManua.ls Logo

Tapco MIX100 - Page 4

Tapco MIX100
15 pages
Print Icon
To Next Page IconTo Next Page
To Next Page IconTo Next Page
To Previous Page IconTo Previous Page
To Previous Page IconTo Previous Page
Loading...
1 2 3 4 5 6 7 8
A
B
C
D
8
7654321
D
C
B
A
MONO INPUT CHANNELS ( 1-2 )
STEREO INPUT CHANNELS (3-10)
LEFT BUS
RIGHT BUS
LEFT BUS
2TK TO MIX
TAPE IN LEFT
TAPE IN RIGHT
TAPE OUT RIGHT
TAPE OUT LEFT
LEFT BUS
RIGHT BUS
MIX100
RIGHT BUS
AUX SEND
2-TRACK
FX TO CTRL ROOM
2TK TO CTRL ROOM
GAIN
LO HI
PEAK
LEFT BUS
RIGHT BUS
PAN
PHANTOM
+48V
MID
AUX SEND
2
1
3
4
MIC IN
3c
5e
1a
4d
2b
LINE IN
LEVEL
PAN
AUX SEND
LEFT BUS
RIGHT BUS
LEVEL
3c
5e
1a
4d
2b
LEFT(MONO)
3c
5e
1a
4d
2b
RIGHT
PEAK
LEFT METER
RIGHT METER
CTRL RM/PHONES
CTRL ROOM &PHONES
3c
5e
1a
4d
2b
PHONES
3c
5e
1a
4d
2b
CTRL R LEFT
3c
5e
1a
4d
2b
CTRL R RIGHT
MAIN OUT
MAIN MIX LEVEL
3c
5e
1a
4d
2b
AUX SEND
3c
5e
1a
4d
2b
MAIN MIX LEFT
3c
5e
1a
4d
2b
MAIN MIX RIGHT
AUX SEND
MASTER
FX TO
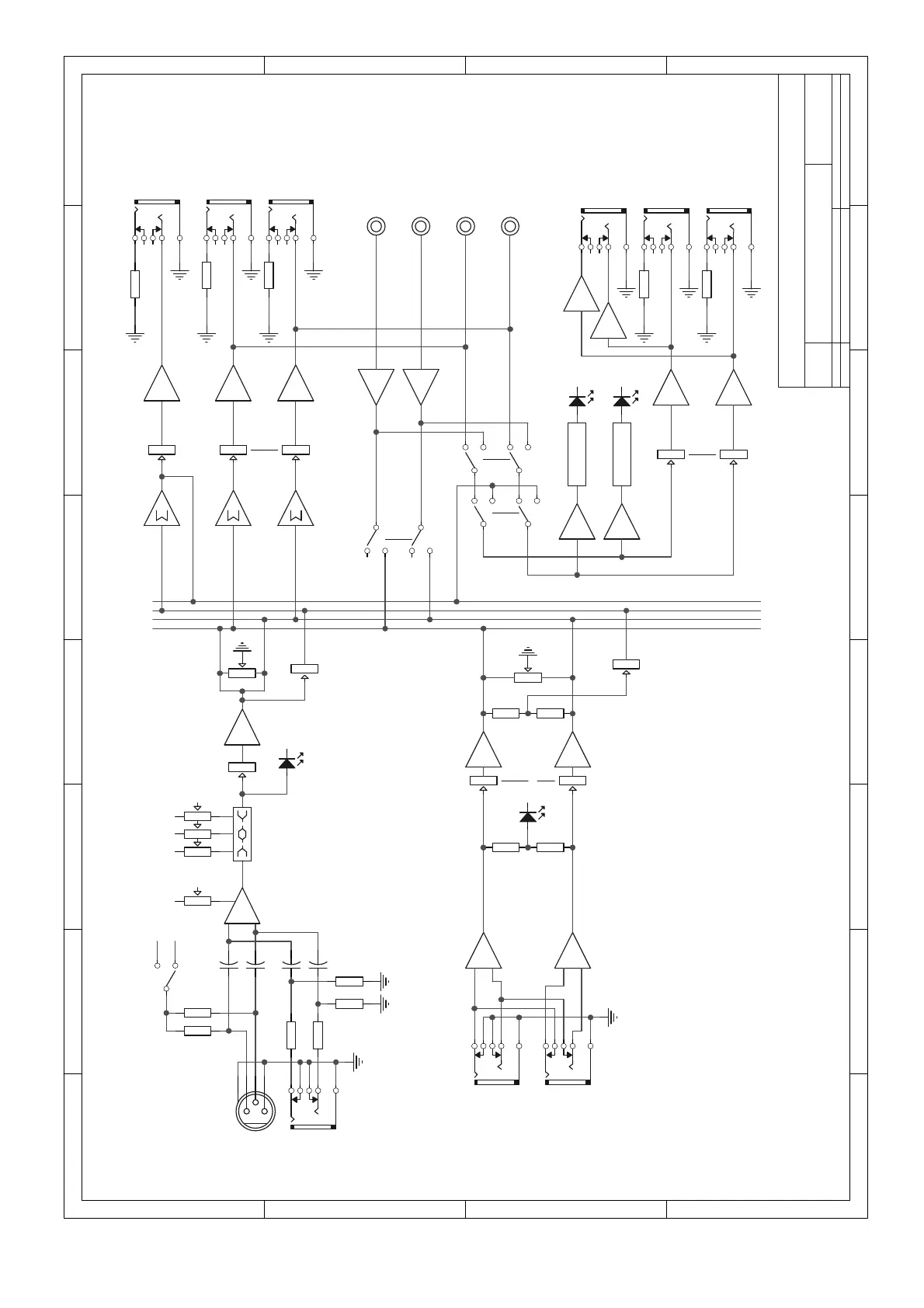
MIX100 MAP.sch
Titel
Size
File:
Date:
Drawn By:
Sheet
RevisionModel No:
12-May-2005
KENNY HO.
BLOCK DIAGRAM MIX100
11
of
MIX100 Rev.02
A3
CTRL ROOM
2.Block Diagram
02_1

Related product manuals