EasyManua.ls Logo

Target TA10100 - Page 44

Target TA10100
46 pages
Print Icon
To Next Page IconTo Next Page
To Next Page IconTo Next Page
To Previous Page IconTo Previous Page
To Previous Page IconTo Previous Page
Loading...
44
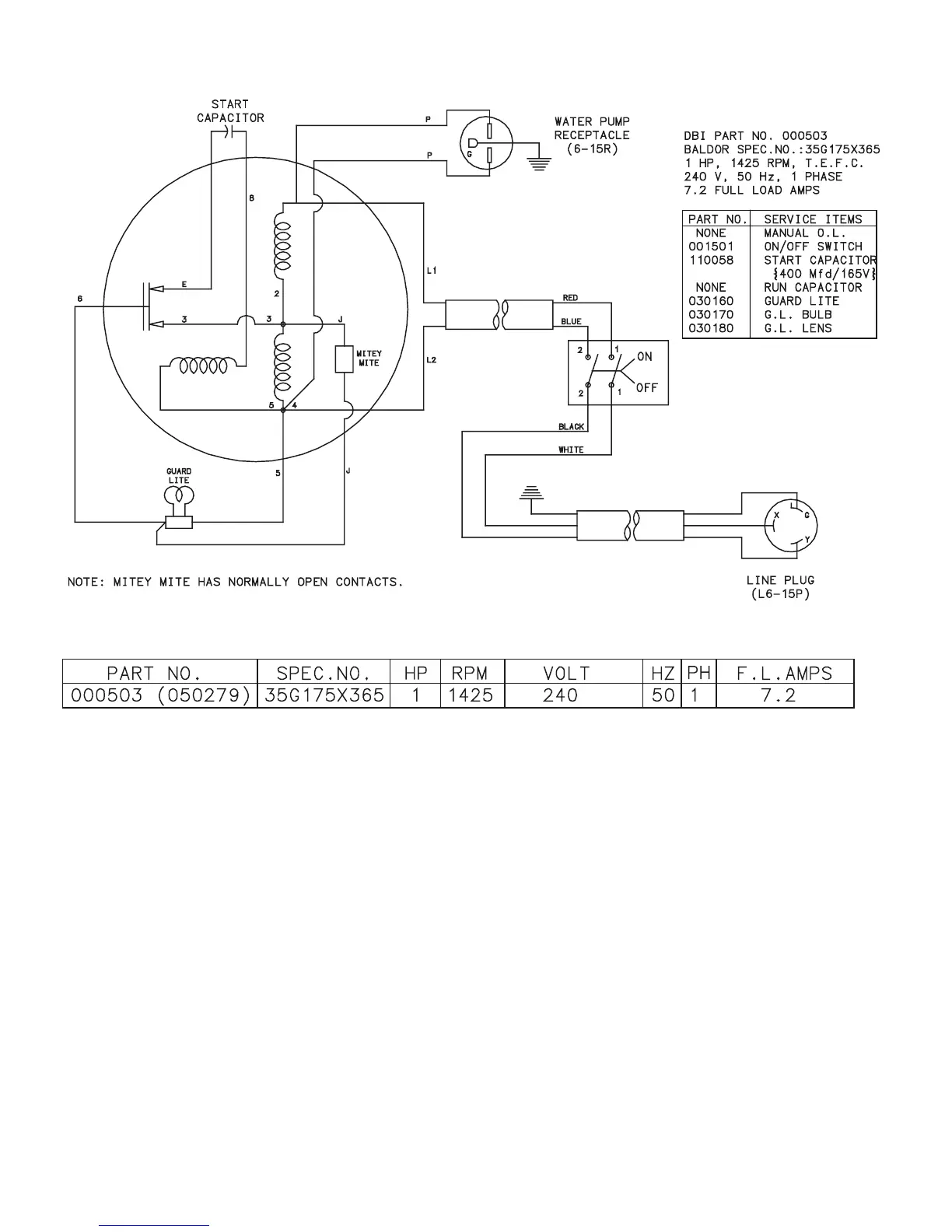
Diagram 4: Wiring Diagram 000503, 1 HP, 240/50/1

Related product manuals