EasyManua.ls Logo

TC Electronic UNIT•Y - Extended Routing Usage and Limitations; Enabling Extended Routing; Extended Routing Signal Flow

TC Electronic UNIT•Y
51 pages
Print Icon
To Next Page IconTo Next Page
To Next Page IconTo Next Page
To Previous Page IconTo Previous Page
To Previous Page IconTo Previous Page
Loading...
RETURNS
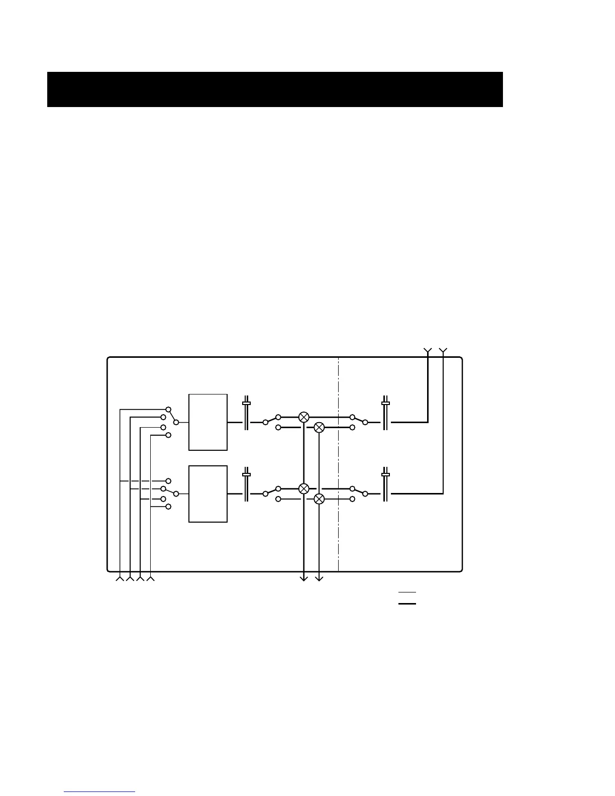
EXTENDED ROUTING 14
ENG 1
Eng 1
Fader
ENG 2
Eng 2
Fader
Ext Input 5.6
Fader
Ext Input 7.8
Fader
Unit Y DSP Section
I/O Option
External Inputs
5.6 & 7.8
Main L/R Direct
Stereo Fader 21/22
Slot Sends
5, 6, 7 & 8
Mono
Stereo
UNIT•Y
card
with
Extended
Routing
enabled
Example, Stereo production using UNIT•Y card with Extended Routing
To return both engines directly to the Main Stereo Bus, select ”St L.R” with the Output
Selectors on the UNIT•Y Main screen.
Turn up both Engine faders and the return signals are fed directly to the Stereo Bus.
If your UNIT•Y card has I/O capabilities, two additional stereo signals (5.6 and 7.8) may be
mixed directly to the Stereo Bus by selecting ”St L.R” on the External Input selectors.
If you can’t enable Extended Routing...
Please note, that the Extended Routing button is greyed out, if the UnitY card slot has been
selected for return signals. In that case, go to the 02R DIO page “Input Signal Select” and
enable the analog inputs at that slot instead of the card. Now Extended Routing may be
enabled, so you can use analog inputs and UnitY signals at the same time.
When to use Extended Routing
We expect most users to always have Extended Routing enabled, but two restrictions apply
to the use of this configuration:
1) Extended Routing is not possible when a Yamaha Cascade card is used,
2) It’s not possible to put two UNIT•Y cards in Extended Routing mode at the same time.
A block diagram of the signal flow in Extended Routing mode is shown below.

Related product manuals