EasyManua.ls Logo

TCL TAC-07CHSA/VB - Wiring Diagram

TCL TAC-07CHSA/VB
37 pages
Print Icon
To Next Page IconTo Next Page
To Next Page IconTo Next Page
To Previous Page IconTo Previous Page
To Previous Page IconTo Previous Page
Loading...
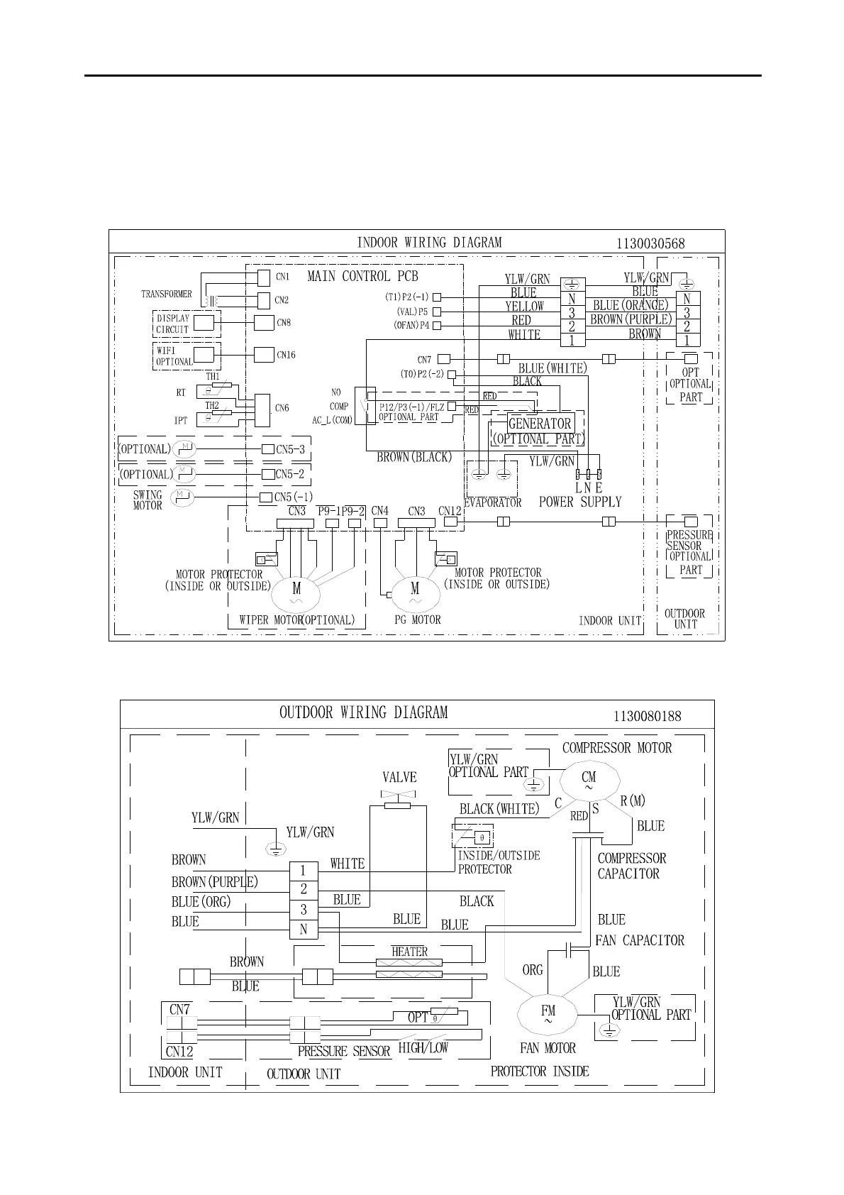
TCL Air Conditioner Service Manual
5. WIRING DIAGRAM
MODEL: TAC-07CHSA/VB TAC-09CHSA/VB
TAC-12CHSA/VB TAC-24CHSA/VB
INDOOR UNIT:
OUTDOOR UNIT:
12

Related product manuals